EasyManua.ls Logo

American Eagle V230 - Crankcase Group Parts; Crankcase Group Components Identification

American Eagle V230
16 pages
Print Icon
To Next Page IconTo Next Page
To Next Page IconTo Next Page
To Previous Page IconTo Previous Page
To Previous Page IconTo Previous Page
Loading...
11
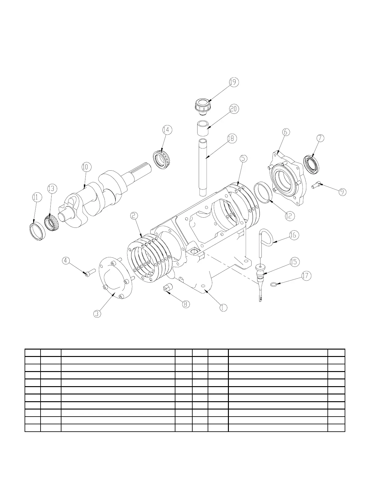
CRANKCASE GROUP
ITEM PART DESCRIPTION QTY. ITEM PART DESCRIPTION QTY.
1 22861 CRANK CASE V230 1 11 C1164 BEARING CUP (L44610) 1
2 5822 GASKET BEARING CARRIER-V480 (.015) 5 12 C1163 BEARING CUP (LM67010) 1
3 22837 BEARING CARRIER V230 1 13 C0855 BEARING CONE 1
4 6034 SCREW 0.31-18X1.00 SHC 5 14 C0856 BEARING CONE LM67048 1
5 C6271 FRONT PL GASKET 3 15 22839 DIPSTICK (V230/V360) 1
6 5826 BEARING CARRIER CLUTCH PLT V480 1 16 22686 HANDLE DIPSTICK OIL CHECK V480 1
7 5825 BEARING SEAL V480 1 17 C0041 O'RING 1
8 5815 OIL DRAIN PLUG 1 18 C0062 BREATHER BODY 1
9 5813 CAP SCR 0.31-18X0.75 SH 5 19 22868 BREATHER CPRSR .50NPT NY8 1
10 22831 CRANKSHAFT V230 STRAIGHT 1 20 C5929 COUPLER 0.50 BLK 1

Related product manuals