EasyManua.ls Logo

Amtech Axpert-Eazy AMT-018-4 - Page 140

Default Icon
242 pages
Print Icon
To Next Page IconTo Next Page
To Next Page IconTo Next Page
To Previous Page IconTo Previous Page
To Previous Page IconTo Previous Page
Loading...
Amtech
6-94
6
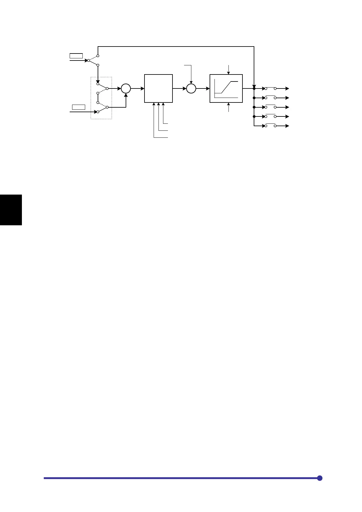
PID
+
-
C605: Proportional Gain
C606: Integral Time
C607: Derivative Gain
C604: PID
Feedback
Input
C602
C603: PID
Reference
Input
C608: PID deviation
Upper Limit
C609: PID deviation
Lower Limit
C610: PID Offset
Adjustment
PID Output
PID Controller
+
+
M109
M110
=1
=0
Frequency Ref
A106=12
Vout1
C201
Vout2
C202
Iout1
C203
Iout2
C204
C601: PID Selection
=0
=1
(PSIX = 20)
PID Bypass

Table of Contents

Related product manuals