EasyManua.ls Logo

Amtech Axpert-Eazy AMT-132-4 - Page 235

Default Icon
242 pages
Print Icon
To Next Page IconTo Next Page
To Next Page IconTo Next Page
To Previous Page IconTo Previous Page
To Previous Page IconTo Previous Page
Loading...
Axpert-Eazy AC Variable Frequency Drive
A.19
13
A
2. Digital Operation Panel is mounted on the card plate with the help of four M4 screws and
display clamp. First remove the display cable from the Digital Operation Panel. Now, remove
the Digital Operation Panel with display clamp from the card plate by opening four M4 screws.
3. Digital Operation Panel is mounted on the display clamp using four M4 nuts. Remove this
clamp.
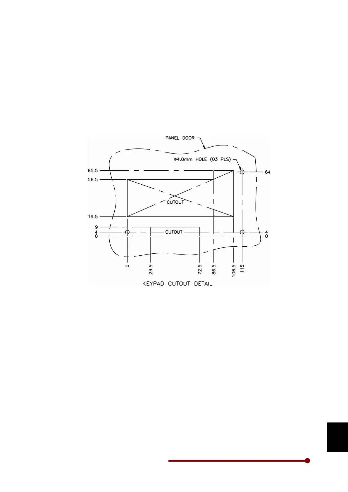
4. Put cutout (dimensions are given in the below fig) in the front door of the panel or wherever
the digital operation panel is to be mounted.
5. Follow below sequence shown in the fig. to mount the Digital Operation Panel.
6. The keypad of the Digital Operation Panel is fitted on green plate. This plate has four M3 bolt,
10 mm (0.4”) long on the backside.
7. Insert these studs into the holes provided on the panel and fit it with the washer and nut.

Table of Contents

Related product manuals