EasyManua.ls Logo

Amtech Axpert-Eazy AMT-250-4 - MODE - H: SPECIAL APPLICATION FUNCTION PARAMETERS

Default Icon
242 pages
Print Icon
To Next Page IconTo Next Page
To Next Page IconTo Next Page
To Previous Page IconTo Previous Page
To Previous Page IconTo Previous Page
Loading...
Amtech
6-106
6
MODE – H: SPECIAL APPLICATION FUNCTION PARAMETERS
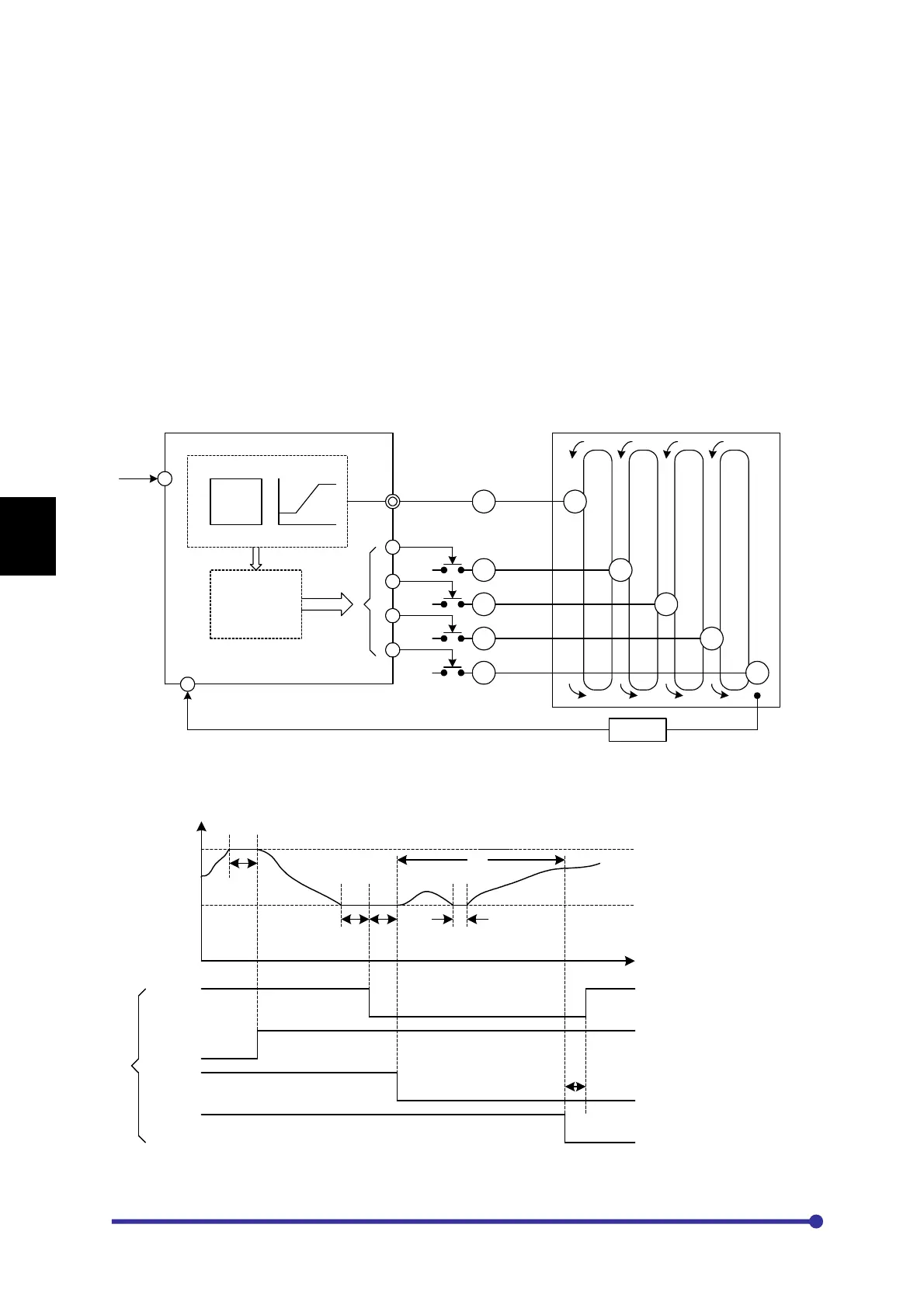
GROUP-1: MULTI-PUMP FUNCTION PARAMETERS
Multi-pump control refers to a function which controls the flow passage pressure at a constant level by
running pumps in parallel using one Axpert-Eazy AC Drive and it’s internal relay output /
programmable sequence outputs.
The pressure step of the ON/OFF controlled pumps is interpolated by a pump that is variable-speed
controlled by the AC Drive, which has the PID control function. This maintains the pressure's
continuation.
The relay outputs can be used for the pump’s ON/OFF control are the programmable relay1,
programmable relay2 and programmable sequence output. Assign the pump number to the respective
relay / PSO in parameters C107~C112.
The system configuration is shown below.
Limiter
Monitor
FSI
Pump-1
M
M
M
M
M
P
P
P
P
P
Pump-2
Pump-3
Pump-4
PID
Pump ON/OFF
command
PSO-1
PSO-2
PSO-3
PSO-4
U,V,W
Converter
PID Ref
Input
(C603)
Pressure Sensor
PID
Feedback
Input (C604)
AXPERT EAZY AC DRIVE
Pressure Feedback
Multi-pump control operation
An example of actual operation for the multi-pump control is shown below.
PID Output
Time
ULT
T1
LLT
T2 T2
T3
T4
Pump-1
ON
ON
OFF
OFF
Pump-2
ON
OFF
Pump-3
(1)
(2)
(3)
(4)
ON
OFF
Pump-4
(5)
Sequence Output
ON
ON/OFF control pump changeover operation (when operating five pumps)

Table of Contents

Related product manuals