EasyManua.ls Logo

Amtech Axpert-Eazy AMT-250-4 - Page 33

Default Icon
242 pages
Print Icon
To Next Page IconTo Next Page
To Next Page IconTo Next Page
To Previous Page IconTo Previous Page
To Previous Page IconTo Previous Page
Loading...
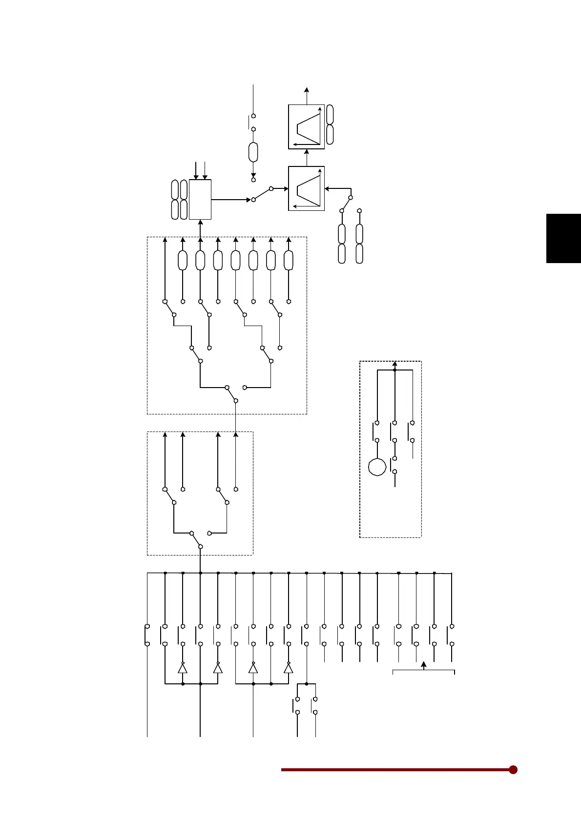
Axpert-Eazy AC Variable Frequency Drive
4.5
4
Freq
Command
A106
=1: Local
=2: FSV 0-10V
=3: FSI 4-20mA
Digital Operation Panel
(A101)
Analog Voltage
Reference (FSV)
=4: FSV 0-5V
=5: FSI 0-20mA
=6: FSV 10-0V
=7: FSI 20-4mA
=8: FSV 5-0V
=9: FSI 20-0mA
=10: Static pot
Freq Increase
(PSI)
=11: Serial
Serial
=12: PID Output
Internal signal (PID Output)
Analog Current
Reference (FSI)
Freq Decrease
(PSI)
Preset i/p-0
(PSI)
Preset i/p-1
Preset i/p-2
(PSI)
Off
On
Preset i/p-1
(PSI)
Preset i/p-2
(PSI)
Preset i/p-2
(PSI)
B404
B401
B405
B403
B407
On
On
On
On
On
Off
Off
Off
Off
Off
Preset i/p-2
(PSI)
B402
B406
On
Off
RUN
A104
Jog Select
On
OffOn
Off
Ref Select 0 (PSI)
Ref Select 1 (PSI)
Serial
FSI 4-20mA
On
Off
Ref Select 1 (PSI)
Static Pot
A106
=1: Local
=2: Terminal
Host PC
=3: Serial
RUN
(Terminal)
A301
Run
Operational Panel
(Keypad)
RUN Command
RUN has higher priority then Jog
Selection process of Frequence Reference Signal
Math
Operation
Block
A701 A703
A704 A705
JOG
A201 A202
Ramp
Ramp Select
On
Off
A203 A204
Freq Limiter
A102 A103
A706: Variable Bias
A702: Math Input2
=13: VIN 0-10V
=14: IIN 4-20mA
Analog Voltage Reference
(VIN)
Analog Current Reference
(IIN)
=15: PLC A-O/P 1
Built in PLC Analog Ref.
=16: PLC A-O/P 2
=17: PLC A-O/P 3
=18: PLC A-O/P 4

Table of Contents

Related product manuals