EasyManua.ls Logo

Anritsu MP1800A - Page 65

Anritsu MP1800A
272 pages
Print Icon
To Next Page IconTo Next Page
To Next Page IconTo Next Page
To Previous Page IconTo Previous Page
To Previous Page IconTo Previous Page
Loading...
3.2 Inter-Module Connection
3-11
3
Panel Layout and Connectors
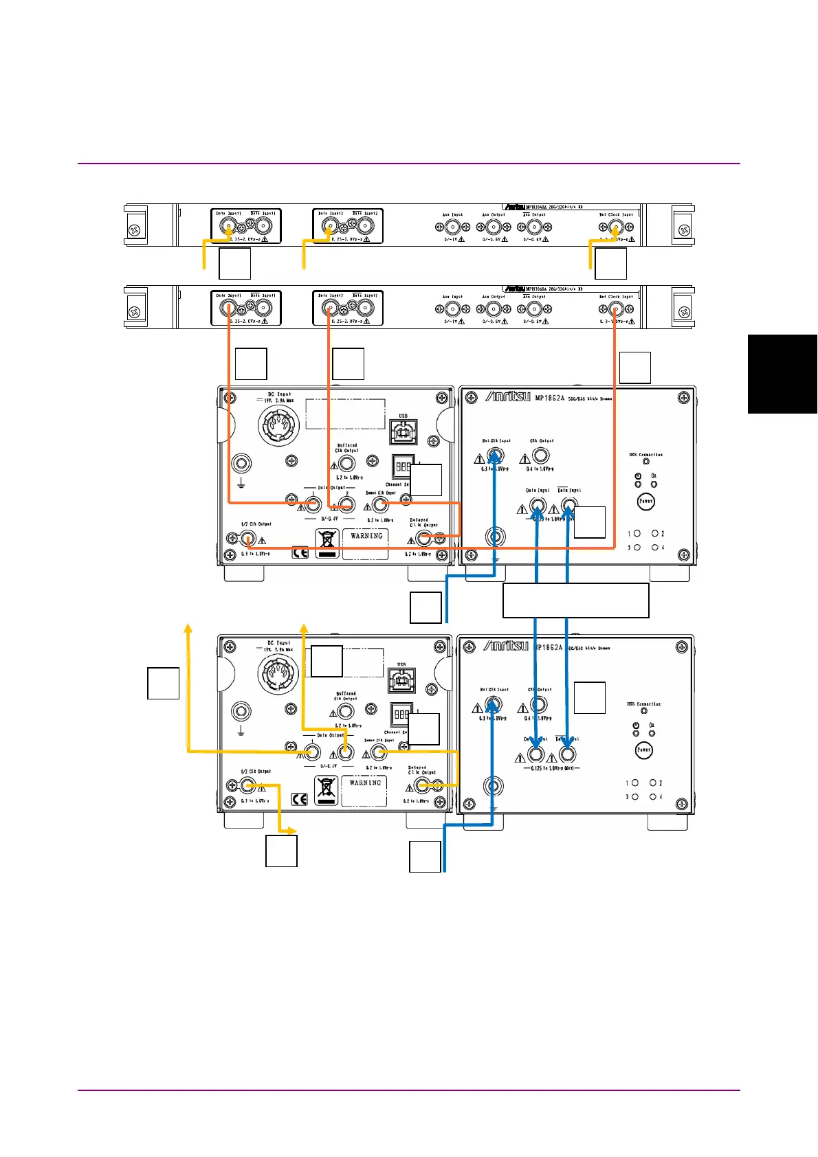
Figure 3.2.2-1 2ch Rx Connection Example
MU183040B
2’
DUT
1
2
5
3
4
5’
3
4’
1’
1’
1’
1
2’
MU183040B

Table of Contents

Other manuals for Anritsu MP1800A

Related product manuals