EasyManua.ls Logo

Anthos A6 PLUS CONTINENTAL - Dimensional Characteristics of L6 International Model

Default Icon
122 pages
Print Icon
To Next Page IconTo Next Page
To Next Page IconTo Next Page
To Previous Page IconTo Previous Page
To Previous Page IconTo Previous Page
Loading...
A3 PLUS - A5 - A6 PLUS - L6
SURGICAL SINGLE CART
EN
117
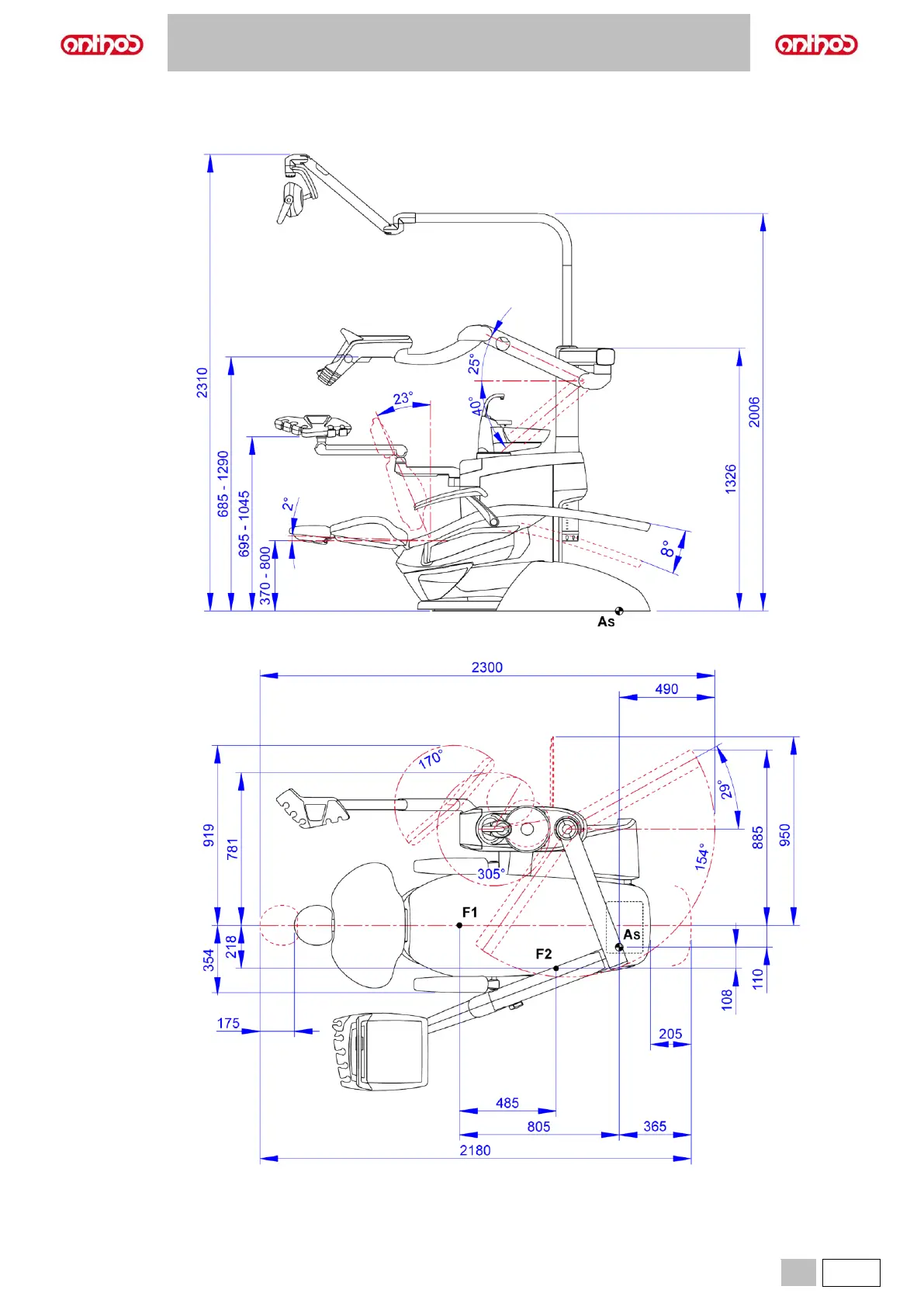
11.12. DIMENSIONAL CHARACTERISTICS OF L6 INTERNATIONAL MODEL

Table of Contents

Related product manuals