EasyManua.ls Logo

Apollo GX50 GPS - P Anel C Onnections

Default Icon
74 pages
Print Icon
To Next Page IconTo Next Page
To Next Page IconTo Next Page
To Previous Page IconTo Previous Page
To Previous Page IconTo Previous Page
Loading...
Installation
22 Apollo GX50/60/65 Installation Manual
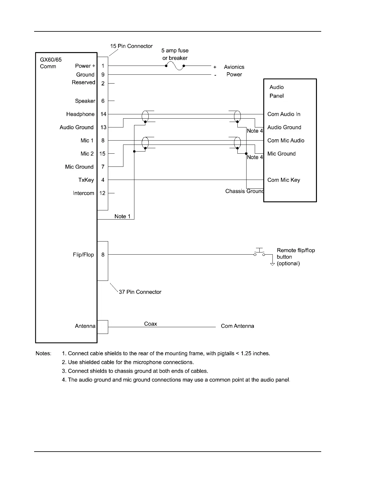
Figure 14 GX60/65 Typical Audio Panel Connections

Table of Contents