EasyManua.ls Logo

Apollo GX50 GPS - C Onnections

Default Icon
74 pages
Print Icon
To Next Page IconTo Next Page
To Next Page IconTo Next Page
To Previous Page IconTo Previous Page
To Previous Page IconTo Previous Page
Loading...
Installation
Apollo GX50/60/65 Installation Manual
23
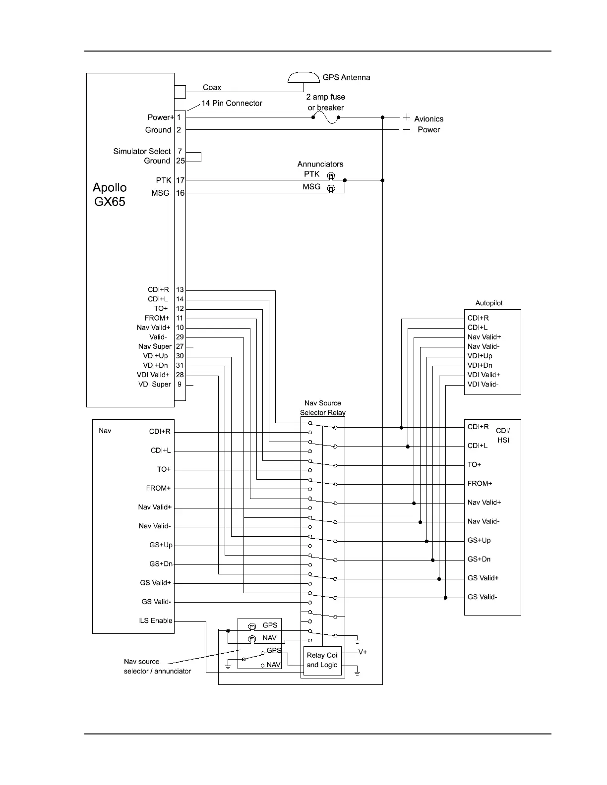
Figure 15 - GX65 Power and Avionics Connections

Table of Contents