EasyManua.ls Logo

Apollo SA7100-100APO - Page 17

Apollo SA7100-100APO
24 pages
Print Icon
To Next Page IconTo Next Page
To Next Page IconTo Next Page
To Previous Page IconTo Previous Page
To Previous Page IconTo Previous Page
Loading...
17
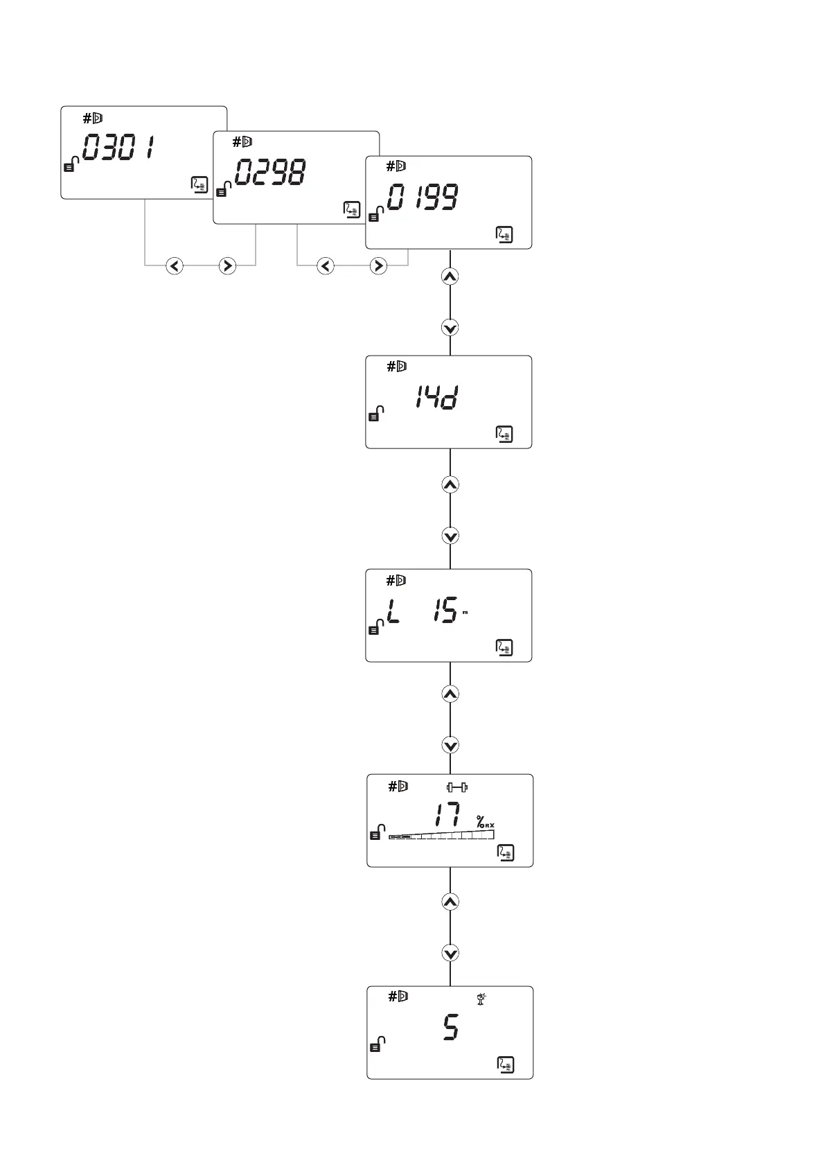
23. Event Logger (continued)
Press left to access older
events, and right to access
newer events. When the
relevant event is selected,
press down to access
further information about the
event.
Time elapsed since event
started. ‘—‘ will be displayed
if the event occurred prior to
the most recent power cycle.
Duration of event. ‘—‘ will be
displayed if the event is still
occurring, or if a power cycle
occurred while the event
was in progress, or if there
is no duration associated
with the event type (e.g.
power-on)
Signal strength when the
event occurred. If the signal
strength could not be read
during the event ‘—‘ will be
displayed.
AGC value when the event
occurred. If the AGC value
could not be read during the
event ‘—‘ will be displayed.

Related product manuals