EasyManua.ls Logo

Aqua PRO PRO1100e - Application Guidelines; Maintenance

Default Icon
28 pages
Print Icon
To Next Page IconTo Next Page
To Next Page IconTo Next Page
To Previous Page IconTo Previous Page
To Previous Page IconTo Previous Page
Loading...
If your pool is at or above the desired
operating temperature, the heater will
run the system the desired hours each
day and spread the time out evenly
between the 6 periods. This makes for
better filter operation and allows the
heater to update the water
temperature 6 times per day.
If your pool needs heat, the heater will
continue to run the system until the
desired temperature is met. If the
amount of run time exceeds a period’s
run time, the excess time will be
subtracted from the next run period(s).
Please note that on cold and / or windy
days, the unit could run for long times
to generate and maintain the desired
pool temperature. Please see the
“application” section about “pool
blankets” to help maintain your pool’s
temperature.
The timing function built into the TCE will
always run the heat pump for 15 minutes
every 4 hours to determine if more heat is
needed to maintain the pool’s desired
temperature - even if all of the available
run time was used in previous cycles. This
provides a couple of added benefits.
Pools will lose most of their heat at night
if left uncovered, however, since the unit
is checking for and adding heat when
needed, it prevents long recovery times
when compared to non-TCE units. The
other benefit is that some states and
electric utility companies offer a discount
for off-peak usage of electricity. Please
contact your electricity provider if you
have questions.
Example of TCE operation– you require
the system to run for 12 hours to meet
your pool filtering needs. This means
for each of the 6 periods, the heater will
run the system for 2 hours and then
turn off for 2 hours. If the system
needed to run for 3 hours in one of the
periods to reach the desired pool
temperature, the next period would be
1 hour on and 3 hours off unless
additional heating is needed. The cycle
continues for 6 periods and renews at
the end of each 24 hours. Please call
AquaPRO
®
Systems at 1-877-AQUA-SYS
(1-877-278-2797) if you need further
clarification of this feature’s operation.
Activating and Setting system run time
To set the run time of the system, push
the “SET” button repeatedly until “FIL”
displays. Then using the “up” and
“down” arrows, you can select how
many total hours a day you want the
system to run for your pump and
filtration needs. The range of hours is
“off” to 2, 3, 4,… up to 23 hours to
“on”. As described before, the run time
will then be calculated and spread out
over the 6 time periods for 24 hours.
Selecting the “on” position will run the
pump and filter system continuously.
The unit leaves the factory with the
“FIL” mode set to “OFF”.
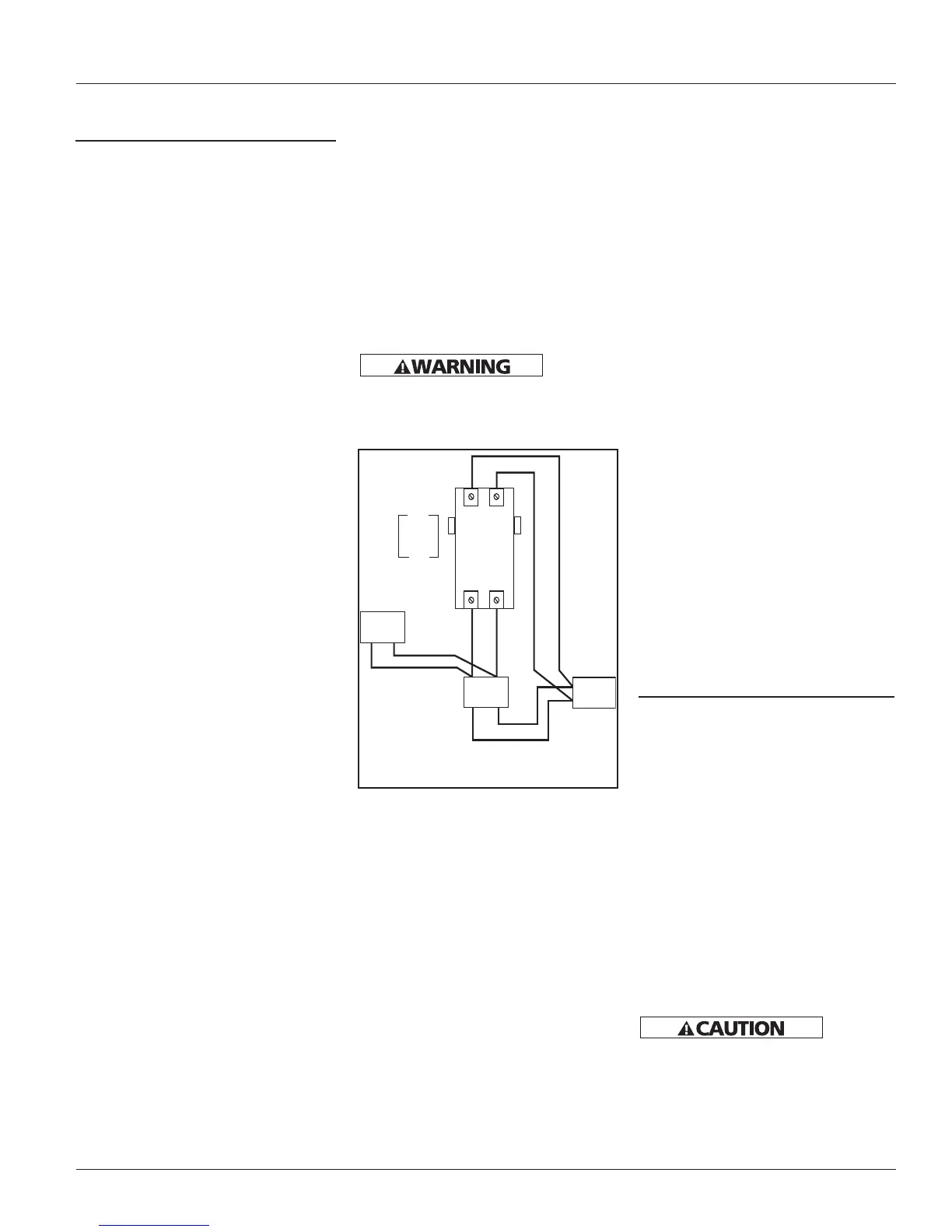
Time Clock Override
(TCO) Operation
All wiring
and
electrical connections must be performed
by a qualified electrician. Installation
must be in accordance with local and
national codes.
This section allows you the option of
using an existing time clock with the
heat pump. If you do not have a time
clock, please refer back to the Time Clock
Eliminator section.
The pump must be connected to the heat
pump and also the time clock for the Time
Clock Override feature to work correctly.
See the optional TCO wiring schematic for
electrical connections.
This unit is prepared at the factory with
the “FIL” mode set to the “off” position.
You will need to set the heat pump’s
hours of run time in the “FIL” mode to
“2” hours. See “activating and setting
system run time” below to set the run
time. Leave your time clock set to the
desired pump and filter operation time.
This will enable the heat pump and
filter system to run the desired hours of
the day and also provide the benefit of
checking if heat is needed every 4 hours.
It will do this by running the pump and
filter system for 20 minutes. If heat is
needed, it will continue to run until the
pool has reached the set temperature. If
no heat is needed, the system will turn
off and continue checking for heat
every 4 hours. This provides a couple of
added benefits. Pools will lose most of
their heat at night if left uncovered,
however, since the unit is checking for
and adding heat when needed, it
prevents long recovery times when
compared to non-TCO units. The other
benefit is that some states and electric
utility companies offer a discount for
off-peak usage of electricity. Please
contact your electricity provider if you
have questions.
Activating and Setting System Run
Time – TCO Operation
To set the run time of the system, push
the “SET” button repeatedly until “FIL”
displays. Then using the “up” and
“down” arrows, set the hours to “2”.
The range of hours is “off” to 2, 3, 4,…
up to 23 hours to “on”. By selecting “2”
the heat pump will run every 4 hours
for 20 minutes, checking if heat is
needed. The unit leaves the factory
with the “FIL” mode set to “OFF”.
Application
Guidelines (All Models)
Maintenance
All heat pumps are designed for outdoor
use. However, some maintenance is
required to maintain the full life of the
heater and is necessary to maintain your
warranty. Annual maintenance should be
scheduled to make sure blowing sand or
falling debris is removed from the inside of
the heater. Also, rinsing the coil down,
monthly, with low water pressure will help
keep the base of the unit clear of debris is
a must. Do not use a high pressure washer.
This can cause damage to your evaporator
coils and will void your warranty. It is
recommended that a licensed air
conditioning specialist perform the annual
planned maintenance on your heater.
If you
decide to
rinse down the evaporator coils yourself,
disconnect all power to the entire
equipment pad before you rinse it. This
must be done in order to prevent
possible electrical shock.
PRO1300, PRO1100e, PRO1300h/c, PRO1100,
PRO1300h/c TCE, PRO1300 TCE, PRO1100e TCE
Phone: (877)-278-2797
9
www.aquaprosystems.com
Time Clock Eliminator
(TCE) Operation (Cont.)
BREAKER
TIME
CLOCK
FILTER
PUMP
CONTACTOR
FOR THE
TIME
CLOCK
OVERRIDE
INSIDE
HEAT
PUMP
T2 T1
L3 L4
INSIDE
HEAT
PUMP
CONTACTOR
FOR THE
TIME CLOCK
OVERRIDE
TIME
CLOCK
FILTER
PUMP
BREAKER
Figure 10 - TCO wiring diagram
(optional)

Table of Contents