EasyManua.ls Logo

Aqua PRO PRO1100e - Model Specific Wiring Diagrams; PRO1100 e & PRO1300 Wiring; PRO1300 h;c Wiring

Default Icon
28 pages
Print Icon
To Next Page IconTo Next Page
To Next Page IconTo Next Page
To Previous Page IconTo Previous Page
To Previous Page IconTo Previous Page
Loading...
PRO1300, PRO1100e, PRO1300h/c, PRO1100,
PRO1300h/c TCE, PRO1300 TCE, PRO1100e TCE
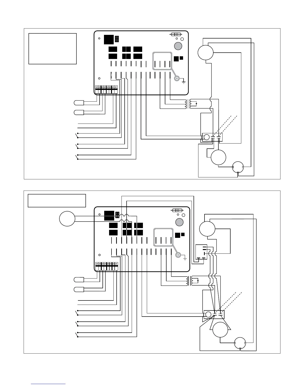
Figure 5 - PRO1100e & PRO1300 wiring diagram
Water Sensor
Defrost Sensor
High Pressure Switch
Closed = OK
Opened = High Pressure
Low Pressure Switch
Closed = OK
Opened = Low Pressure
Flow Switch
Closed = Flow
Opened = No Flow
MY-TECH PH-111A
Brown
Brown & White
SPR1
SPR2
REVR
JANDY
HP
LP FLO
COMP
PUMP
12 ~8 ~12
AC F1 F2 F3
WS
DS
AS
P/S
Black
Black
Blue
Orange
Blue
Orange
Blue
Gray
12 VAC
Blue
Red
Blue
12 / 24 VAC
Transformer
Black
Yellow
Yellow
24
Vac
COMPRESSOR
R
S
C
24 VAC
Compressor
Contactor
Coil
Run Cap
L1
L2
Black
Black
Yellow
Black
Black
Red
H
C
F
Red
Blue
FAN
Black
Black
White
PRO1100e
and
PRO1300
Phone: (877)-278-2797
5
www.aquaprosystems.com
To Remote System
(If Applicable)
Figure 6 - PRO1300h/c wiring diagram
Water Sensor
Defrost Sensor
High Pressure Switch
Closed = OK
Opened = High Pressure
Low Pressure Switch
Closed = OK
Opened = Low Pressure
Flow Switch
Closed = Flow
Opened = No Flow
Red
Black
MY-TECH PH-111A
Brown
Brown & White
FAN
SPR1
SPR2
REVR
JANDY
HP
LP FLO
COMP
PUMP
12
~0 ~12
AC F1 F2
F3
WS
DS
AS
P/S
White
White
Black
Black
Yellow
Orange
Yellow
Orange
Blue
Gray
12 VAC
Blue
Red
Blue
12 / 24 VAC
Transformer
Black
Yellow
Yellow
Yellow
24
Vac
COMPRESSOR
R
S
C
24 VAC
Compressor
Contactor Coil
Run Cap
L1L2
REVERSING
VALVE
Black
Black
NC
NO
COM
Black
Black
White
Yellow
Black
Orange
H
C
F
To Remote System
(If Applicable)
PRO1300h/c

Table of Contents

Related product manuals