EasyManua.ls Logo

Aqua PRO PRO1100e - Pro1300 H;C TCE; Digrama Eléctrico; Cómo Alternar entre Modo de; Calefacción y Modo de Enfriamiento

Default Icon
28 pages
Print Icon
To Next Page IconTo Next Page
To Next Page IconTo Next Page
To Previous Page IconTo Previous Page
To Previous Page IconTo Previous Page
Loading...
8 Sp
el sistema sigue funcionando hasta
que la piscina ha logrado la
temperatura preajustada. Si no se
necesita calor, el sistema se apaga y
sigue chequeando si hace falta calor,
cada 4 horas. Esto proporciona dos
ventajas adicionales. Las piscinas
pierden la mayoría del calor durante
la noche si se dejan destapadas; sin
embargo, puesto que la unidad
chequea y añade calor cuando es
necesario, esto impide que se
produzcan largos períodos de
recuperación, cuando se compara con
unidades que no tienen TCO. La otra
ventaja es que algunos estados y
empresas de abastecimiento de
electricidad ofrecen descuentos para
el uso del servicio eléctrico fuera de
las horas pico. Por cualquier pregunta,
sírvase contactar su empresa de
servicio eléctrico.
Puesta en marcha y ajuste del
tiempo de funcionamiento –
Operación TCO
Para el ajuste del tiempo de
funcionamiento, oprima la tecla
“SET” repetidamente hasta que
aparezca “FIL”. Luego, con las flechas
arriba y abajo, ajuste las horas a “2”.
El rango de horas es de “off”
(apagado) a 2, 3, 4... hasta 23 horas a
“on” (encendido). Cuando se
selecciona “2” la bomba de calor
trabaja por 20 minutos cada 4 horas,
controlando si hace falta calor.
La unidad viene de fábrica con el
modo “FIL” apagado (OFF).
Controles electrónicos
de temperatura
Cómo alternar entre Modo
de calefacción y Modo de
enfriamiento
La unidad estará definida por defecto en
el modo de calefacción. Si desea el modo
de enfriamiento, presione el botón SET
(configuración) hasta que se muestre la
pantalla H-C. Luego presione los botones
de las flechas hasta que aparezca “COL”
en la pantalla. Esto hace que la unidad se
coloque en modo de enfriamiento. El
punto de ajuste de la temperatura del
agua será la temperatura del agua a la
que la unidad está enfriando el agua.
Cuando la unidad está en el modo de
enfriamiento, la pantalla mostrará
intermitentemente la temperatura actual
del agua y “COL” para recordar al
usuario que el modo de enfriamiento
está activado.
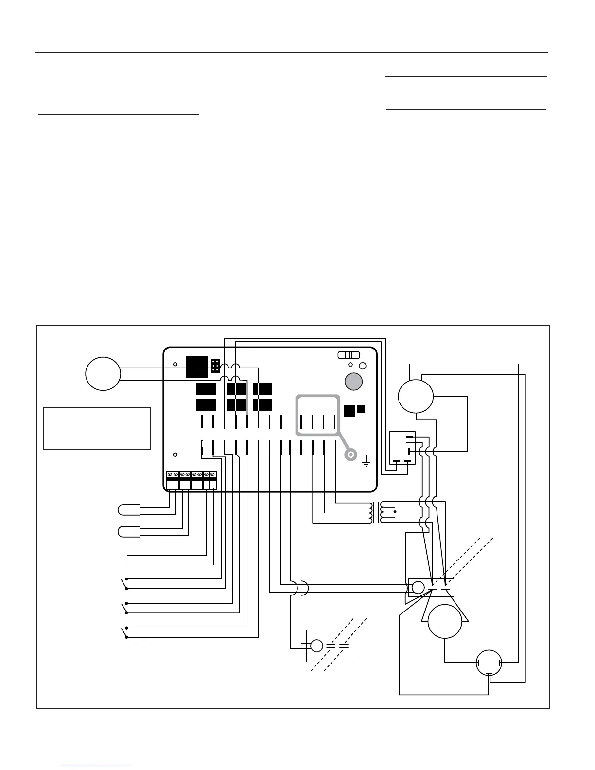
PRO1300h/c TCE
Sensor de agua
Sensor de
descongelación
Interruptor de alta presión
Cerrado = OK
Abierto = Alta presión
Interruptor de baja presión
Cerrado = OK
Abierto = Baja presión
Interruptor de flujo
Cerrado = Flujo
Abierto = No hay flujo
MY-TECH PH-111A
Marrón
Marrón y blanco
SPR1
SPR2
REVR
JANDY
HP
LP FLO
COMP
BOMBA
12 ~8 ~12
AC F1 F2 F3
WS
DS
AS
P/S
Negro
Negro
Amarillo
Anaranjado
Amarillo
Anaranjado
Azul
12V CA
Azul
Rojo
Azul
Transformador 12/24V CA
Negro
Amarillo
Amarillo
24
Vac
COMPRESOR
R
S
C
Bobina del interruptor
automático del
compresor de 24V CA
Condensador
de func.
L1
L2
Negro
Negro
Amarillo
Negro
Negro
Rojo
H
C
F
Rojo
Azul
VENTILADO
R
Blanco
Blanco
Blanco
Bobina del interruptor
de la bomba de piscina
L4
Bomba de la piscina
L3
Gris
Gris
24V
CA
Gris
Anaranjado
Amarillo
NC
NO
COM
Negro
Negro
VÁLVULA
DE
INVERSIÓN
Figura 9 - Diagrama de cableado
Al sistema remoto
(si aplica)
Manual de Instrucciones
PRO1300h/c
TCE
Operación con
Limitación del
Temporizador (TCO)
(Continuación)

Table of Contents

Related product manuals