EasyManua.ls Logo

Aqua PRO PRO1100e - PRO1100 Model Specifics; Manual Temperature Controls; PRO1100 Wiring Diagram

Default Icon
28 pages
Print Icon
To Next Page IconTo Next Page
To Next Page IconTo Next Page
To Previous Page IconTo Previous Page
To Previous Page IconTo Previous Page
Loading...
Operating Instructions
www.aquaprosystems.com
Manual Temperature
Controls
Description
The manual Temperature Control is
designed to regulate pool and spa
water temperature.
There are two indicator lights on the
control panel to display the current
status of the unit.
The thermostat knob may be
adjusted to maintain the desired
water temperature.
Indicator Lights
There are two indicator lights on the
front panel that display unit status. The
GREEN light indicates that power to the
unit is on. The RED light indicates that
the unit is in heating mode.
Phone: (877)-278-2797
4
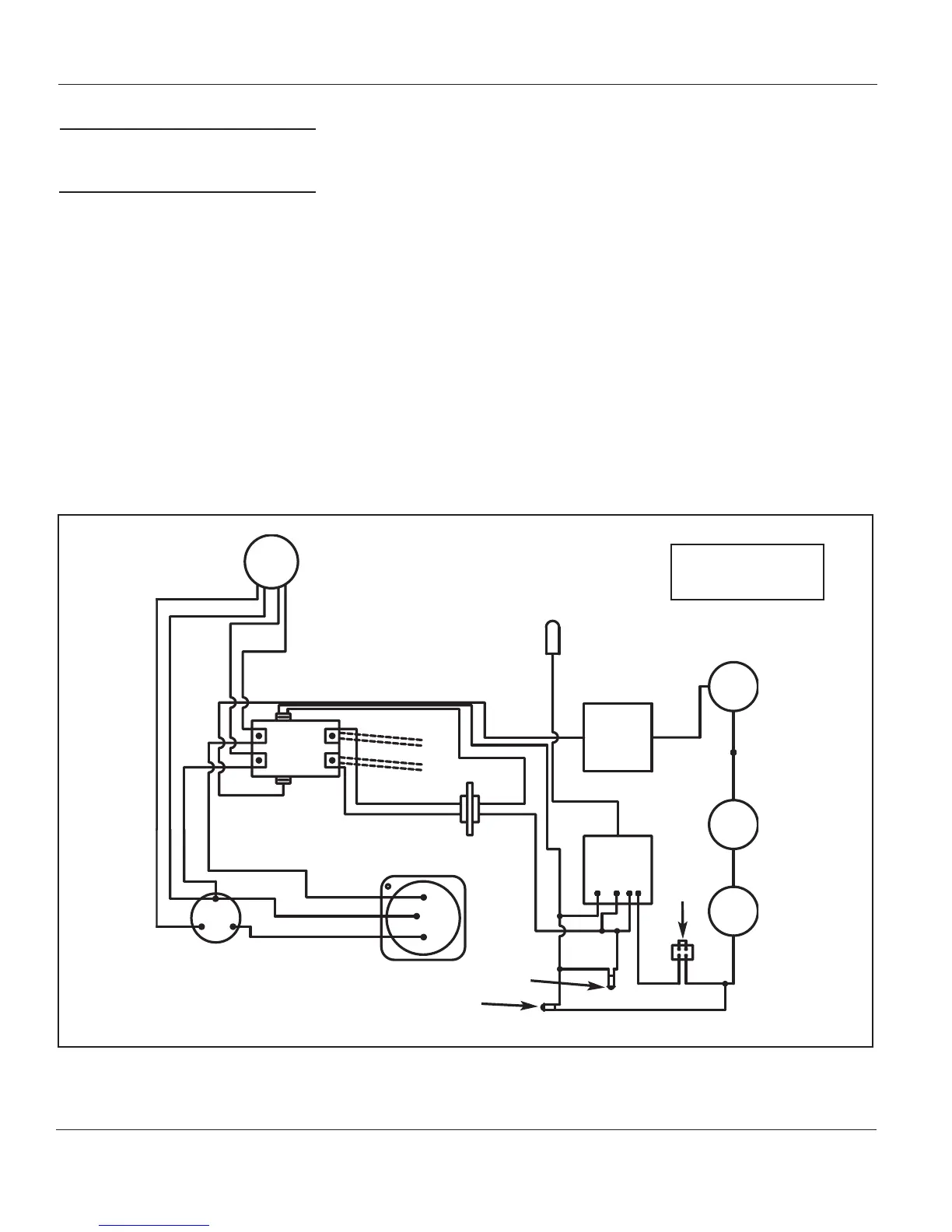
Figure 4 - PRO1100 wiring diagram
PRO1100
The RED light may become
illuminated prior to heater start up.
The RED light will become lit when
the thermostat knob is set at or
above the water temperature.
The unit has a built in time delay.
Every time the unit turns off there is a
five-minute time delay until the unit
may be restarted. The HEAT light may
turn on during this delay cycle. Do not
rotate the thermostat knob during this
time delay. Rotating the knob during
this cycle may reset the time delay,
causing the unit to wait an additional
five minutes prior to startup.
Water Temperature Set Point
Temperature set point range is 45°F
to 107°F. Rotating the thermostat
knob clockwise will increase the
temperature set point, while rotating
counterclockwise will decrease the
temperature set point.
A floating thermometer may be
placed in the pool or spa to monitor
water temperature.
To initially calibrate the thermostat to
the desired set point, turn the
thermostat knob fully clockwise. The
unit will turn on and begin heating
after a possible five minute time delay.
Allow the unit to run until pool or spa
water reaches the desired temperature.
Slowly turn thermostat knob counter-
clockwise until the unit turns off. The
unit will now maintain this water
temperature, providing the circulation
pump is running.
Fan
Motor
Green
Light
Red
Llight
240V-24V
Transformer
Capacitor
Compressor
Thermostat
Time
Delay
Water
Pressure
Low
Pressure
High
Pressure
Black
Black
Black
Black
Black
White
Brown/ White
Brown
Blue
Blue
Blue
Blue
Blue
Yellow
Yellow
Gray
Gray
Gray
Gray
Red
Red
Orange
Nuet Hot In Out
T2 T1
Contractor
L2 L1
Line Line
Temp
1 2
TB1
3 4
C
F H
C
R
S
PRO1100

Table of Contents

Related product manuals