EasyManua.ls Logo

Aqua PRO PRO1100e - PRO1300 & Pro1100 E; Digrama Eléctrico; Pro1300 H;C

Default Icon
28 pages
Print Icon
To Next Page IconTo Next Page
To Next Page IconTo Next Page
To Previous Page IconTo Previous Page
To Previous Page IconTo Previous Page
Loading...
5 Sp
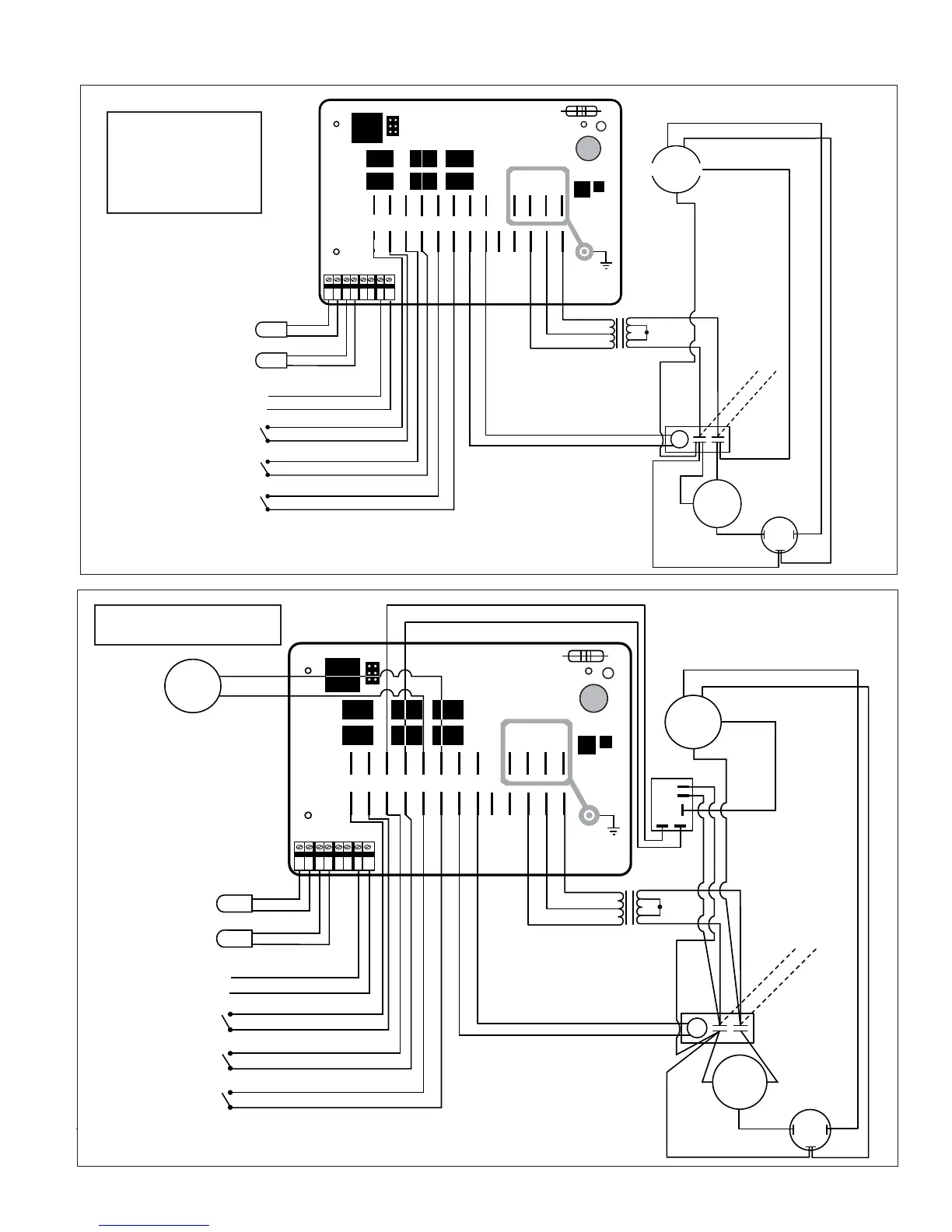
Figura 5 - diagrama de cableado
Sensor de agua
Sensor de
descongelado
Interruptor de alta presión
Cerrado = OK
Abierto = Alta presión
Interruptor de baja presión
Cerrado = OK
Abierto = Baja presión
Interruptor de flujo
Cerrado = Flujo
Abierto = No hay flujo
MY-TECH PH-111A
Castaño
Castaño y Blanco
VENTILADOR
SPR1
SPR2
REVR
JANDY
HP
LP FLO
COMP
BOMBA
12 ~8 ~12
AC F1 F2 F3
WS
DS
AS
P/S
Negro
Negro
Negro
Azul
Anaranjado
Azul
Anaranjado
Azul
Gris
12V CA
Azul
Roja
Azul
Transformador 12/24V CA
Negro
Amarillo
Amarillo
24
VCA
COMPRESOR
R
S
C
Bobina del
interruptor
automático
del
compresor
de 24V CA
Condensador
de func.
L1
L2
Negro
Negro
Amarillo
Negro
Roja
H
C
F
Roja
Azul
Negro
Negro
Blanco
Al sistema remoto
(si aplica)
PRO1100e
and
PRO1300
PRO1300, PRO1100e, PRO1300h/c, PRO1100,
PRO1300h/c TCE, PRO1300 TCE, PRO1100e TCE
Figura 6 - PRO1300h/c diagrama de cableado
Sensor de agua
Sensor de
descongelado
Interruptor de alta presión
Cerrado = OK
Abierto = Alta presión
Interruptor de baja presión
Cerrado = OK
Abierto = Baja presión
Interruptor de flujo
Cerrado = Flujo
Abierto = No hay flujo
Roja
Negro
MY-TECH PH-111A
Castaño
Castaño & Blanco
VENTILADOR
SPR1
SPR2
REVR
JANDY
HP
LP FLO
COMP
BOMBA
12 ~0 ~12
AC F1 F2 F3
WS
DS
AS
P/S
Blanco
Blanco
Negro
Negro
Amarillo
Anaranjado
Amarillo
Anaranjado
Azul
Gris
12V CA
Azul
Roja
Azul
Transformador 12/24V CA
Negro
Amarillo
Amarillo
Amarillo
24V
CA
COMPRESOR
R
S
C
Bobina del
interruptor
automático del
compresor de 24V CA
Condensador
de func.
L1L2
INVERTIR
LA
VÁLVULA
Negro
Negro
NC
NO
COM
Negro
Negro
Blanco
Amarillo
Negro
Anaranjado
H
C
F
Al sistema remoto
(si aplica)
PRO1300h/c

Table of Contents