EasyManua.ls Logo

arcelik 391641EI - Ürünün KullanıMı; Gösterge Paneli

arcelik 391641EI
Print Icon
To Next Page IconTo Next Page
To Next Page IconTo Next Page
To Previous Page IconTo Previous Page
To Previous Page IconTo Previous Page
Loading...
14 / 27 TR
Buzdolabı / Kullanma Kılavuzu
6 Ürünün Kullanımı
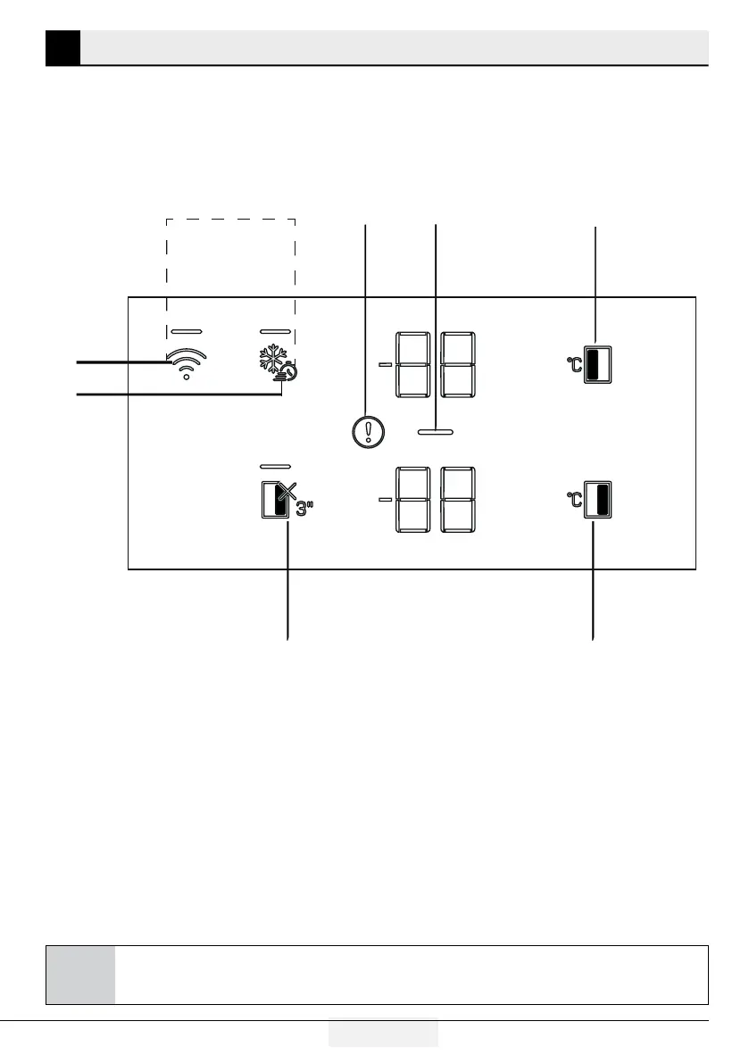
6.2 Gösterge paneli
Gösterge panelleri, ürününüzün modeline göre değișiklik gösterebilir.
Gösterge panelindeki ișitsel ve görsel fonksiyonlar buzdolabınızı kullanmanıza yardımcı olur.
C
*Opsiyonel: Bu kullanım kılavuzunda șekiller șematik olup ürününüzle birebir uyum içinde
olmayabilir. Satın almıș olduğunuz üründe ilgili parçalar yoksa bașka modeller için geçerlidir.
*Tüm modeller için geçerli olmayabilir
A
Önce “Güvenlik Talimatları” bölümünü okuyun !
2
3
4
5
7
6
*1
*8
1.
Kablosuz/Wireless
2.
Hızlı dondurma
3.
ksek sıcaklık/ hata uyarısı
4.
Enerji Tasarrufu ( Ekran Kapalı)
5.
Dondurucu bölme sıcaklık ayarı
6.
Tatil fonksiyonu
7.
Soğutucu bölme sıcaklık ayarı
8.
Kablosuz bağlantı ayarları sıfırlama tușu*

Table of Contents

Related product manuals