EasyManua.ls Logo

arcelik 391641EI - 6.2 Indicator panel

arcelik 391641EI
Print Icon
To Next Page IconTo Next Page
To Next Page IconTo Next Page
To Previous Page IconTo Previous Page
To Previous Page IconTo Previous Page
Loading...
14 /26 EN
Refrigerator / User Guide
6 Operation of the Product
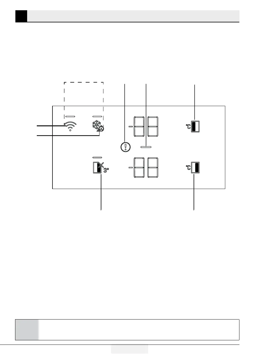
6.2 Indicator panel
Indicator panels may vary depending on the model of your product.
Audial and visual functions of the indicator panel will assist in using the refrigerator.
C
*Optional: Figures in this user guide are schematic and may not be exactly match your product. If
your product does not comprise the relevant parts, the information pertains to other models.
Read the “Safety Instructions” section first!
2
3
4
5
7
6
*1
*8
1. Wireless Key
2. Quick Freezing Key
3. Fault Condition Indicator
4. Energy Saving (Display Off) Indicator
5. Freezing Compartment Temperature
Setting Key
6. Cooling Compartment OFF (Vacation)
Function Key
7. Cooling Compartment Temperature
Setting Key
8.
Key for Resetting Wireless Connection
Settings
May not be available in all models

Table of Contents

Related product manuals