EasyManua.ls Logo

Arfa 1018S - Circuit Diagram

Arfa 1018S
36 pages
Print Icon
To Next Page IconTo Next Page
To Next Page IconTo Next Page
To Previous Page IconTo Previous Page
To Previous Page IconTo Previous Page
Loading...
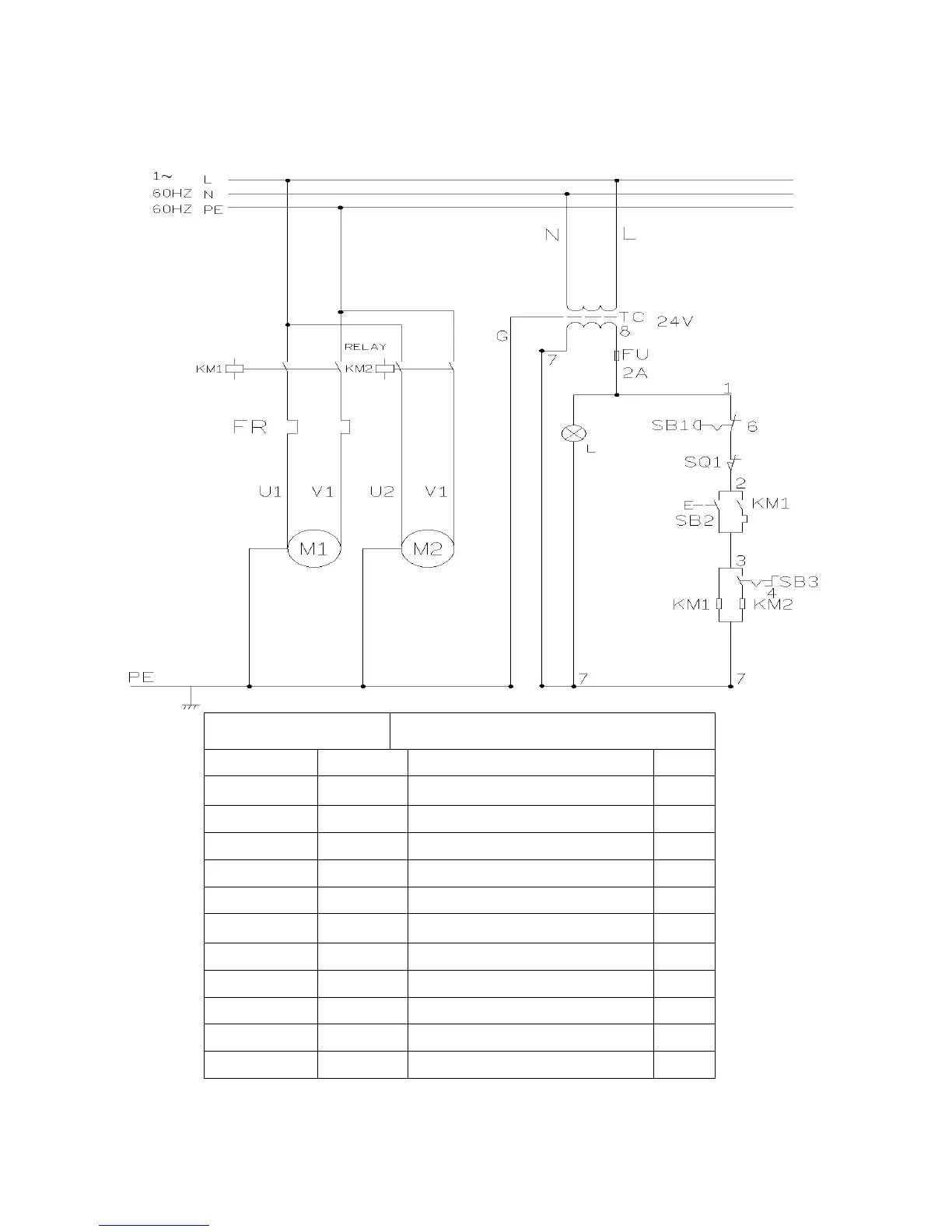
23 Circuit Diagram
270V(W/Cyinder) SCHEDULE OF ELECTRICAL EQUIPMENT
Parts umber ltem Designation and function QTY
ET1324 TC Transformer 1
ET1127 KM2 Relay 1
ET1231 SB2 Push-Button Switch 1
ET1615 SQ2 Limit Switch 1
ET1417 L Light 1
ET1811 FU Fuse 1
ET1157 KM1 Contactor 1
ET2019 FR Overload 1
ET1245 SB1 Emergency Stop 1
ET1235 SB3 Pump Switch 1
- -
24