EasyManua.ls Logo

ARRI ALEXA Plus - Page 307

ARRI ALEXA Plus
318 pages
Print Icon
To Next Page IconTo Next Page
To Next Page IconTo Next Page
To Previous Page IconTo Previous Page
To Previous Page IconTo Previous Page
Loading...
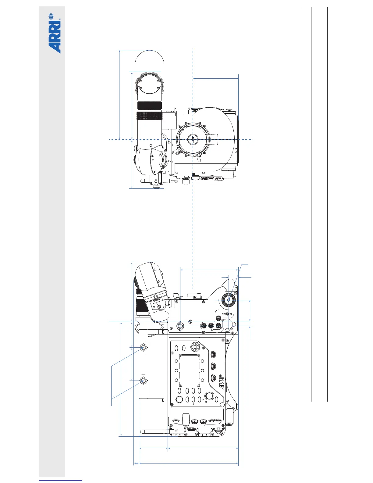
Technical Data are subject to change without notice.CAMERA DIMENSIONS Version 2013-04
ALEXA Studio with XR Module
ALEXA Studio Length Width Height Weight
Body, XR Module 364 mm - 14.33” 183.6 mm - 7.23” 163 mm - 6.42” 8.3 kg - 18.3 lb
Body, XR Module,
Camera Center Handle (CCH-1), Optical Viewfinder OVF-1
402 mm - 15.9” 268 mm - 10.55” 241 mm - 9.49” 10.5 kg - 23.1 lb
Camera Right
Image Plane
Camera Front
Optical Center
Optical Center
M6 (3.5mm deep)
105 mm
4.13”
134 mm
5.28”
22.8 mm
0.9”
229 mm
9.02”
12 mm
0.47”
66 mm
2.6”
163 mm
6.42”
112 mm
4.41”
156 mm
6.14”
206 mm
8.11”
138 mm
5.43”
59.4 mm
2.34”
10 mm
0.39”
50 mm
1.97”
76.2 mm
3”
265 mm
10.43”
UNC 3/8“–16 (10 mm deep)

Table of Contents

Related product manuals