EasyManua.ls Logo

Ashley AC2000 - Factory Built Chimney Installation

Ashley AC2000
48 pages
Print Icon
To Next Page IconTo Next Page
To Next Page IconTo Next Page
To Previous Page IconTo Previous Page
To Previous Page IconTo Previous Page
Loading...
-10-
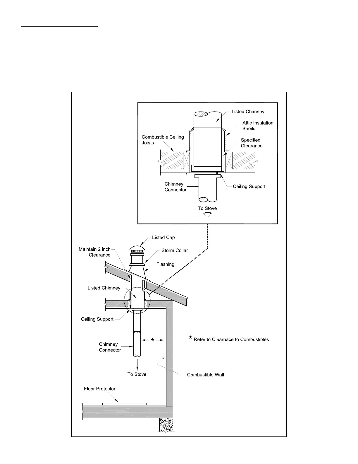
FACTORY BUILT CHIMNEY
When a metal prefabricated chimney is used, the manufacturer’s installation instructions must be followed. You
must also purchase (from the same manufacturer) and install the ceiling support package or wall pass-through
and “T” section package, restops (where needed), insulation shield, roof ashing, chimney cap, etc. Maintain
proper clearance to the structure as recommended by the manufacturer. The chimney must be the required
height above the roof or other obstructions for safety and proper draft operation.

Related product manuals