EasyManua.ls Logo

Asko TDC33 - Drying Guide TDC44; Drying Guide TDC33; Circuit Diagram

Asko TDC33
86 pages
Print Icon
To Next Page IconTo Next Page
To Next Page IconTo Next Page
To Previous Page IconTo Previous Page
To Previous Page IconTo Previous Page
Loading...
Rev ind Revision
Appd
Year Week
8765432
1FORMAT A3
5678
E
D
A
B
1
C
F
32
This document must not be copied without
our written pemission, and the contents
thereof must not be imparted to a third party
nor be used for any unauthorized purpose.
Contravention will be prosecuted.
Asko Cylinda AB
4
Dimensions, Type, etc.
Pos.
Material
Name of itemQty
Dens.Kg/dm3
Part No.
Material
ASKO CYLINDA
Description(ENG)
Gen.tolerance
Scale
Description(SE)
Replace
Gen.tol.Angle
Rev Ind
Designed by
Project
Week
Year
Iss by Dept
Released by
HT
UT
98 05
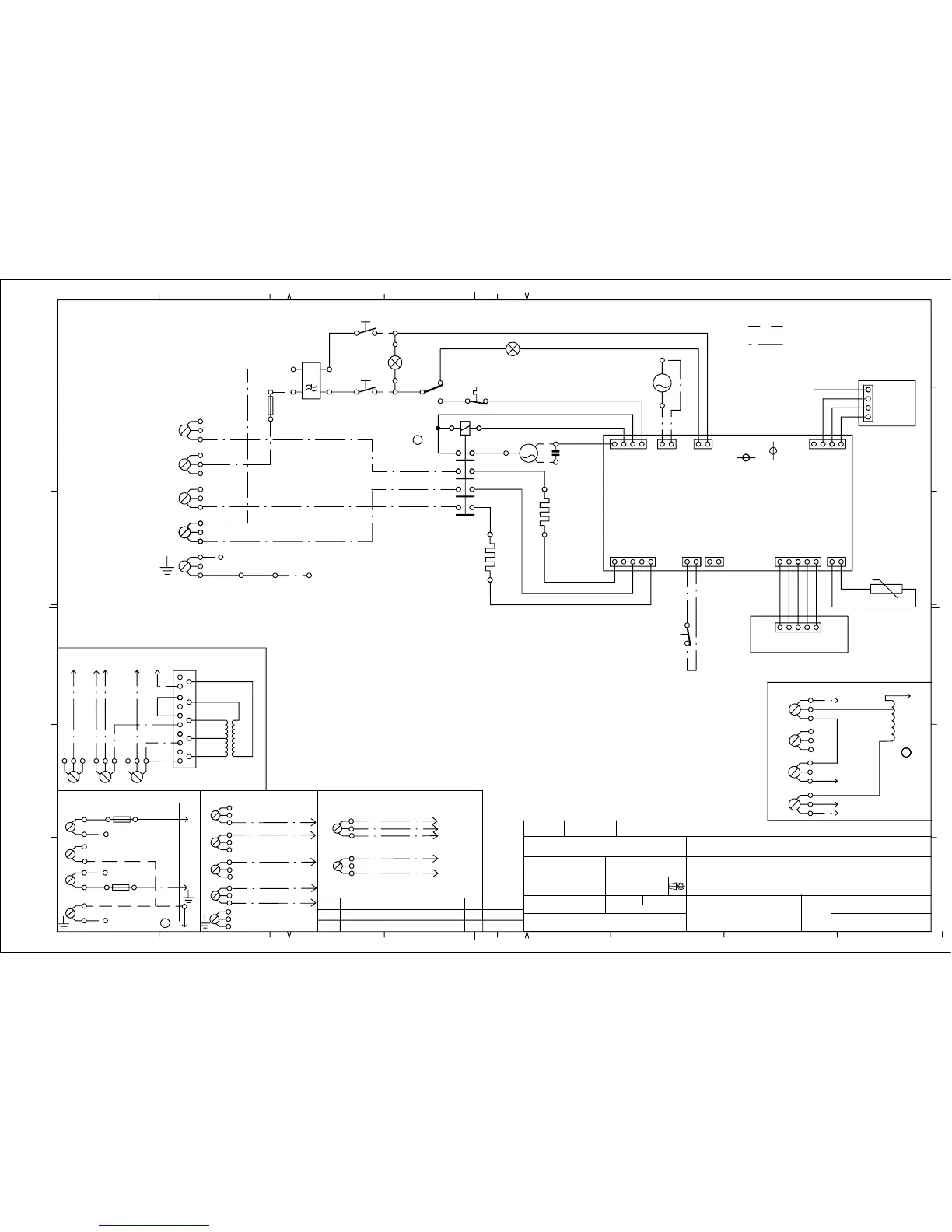
KOPPLINGSSCHEMA TD33/44, TDC33/44
8061866 rev:01
CIRCUIT DIAGRAM TD33/44, TDC33/44
80 618 66
02
S:\U\Wmd20\1_Tryckunderlag\Kopplingsschema\8061866.dft , sosv , 2000-10-17 12:25:36
E
D
A
B
C
F
F
FF
F
R
R R
R a
aa
a
AP
APAP
AP
02
0202
02
02
0202
02
02
0202
02
MO
MOMO
MO
LB
LBLB
LB2
22
2
LB
LBLB
LB4
44
4
R1
R1R1
R14
44
4R13
R13R13
R13
LB1
LB1LB1
LB1
Ra
RaRa
Ra
IL
ILIL
ILA
AA
A
Rb
RbRb
Rb
1
11
1
3
33
3
2
22
2
4
44
4
ST
ST
ST
ST
5
5
5
5
-1
-1
-1
-1
L3
L3L3
L3
F
FF
FUS
USUS
USE
E E
E CO
COCO
CON
NN
NN
NN
NEC
ECEC
ECT
TT
TIO
IOIO
ION
NN
N
FOR
FORFOR
FOR
US
USUS
USA
A A
A &
& &
& CA
CACA
CAN
NN
NADA
ADAADA
ADA
ILL
ILLILL
ILLUM
UMUM
UMI
II
IN
NN
NA
AA
AT
TT
TIO
IOIO
ION
NN
N
B
B B
BELYS
ELYSELYS
ELYSN
NN
NI
II
ING
NGNG
NG
T
TT
TERM
ERMERM
ERMIS
ISIS
ISTOR
TORTOR
TOR
TH
THTH
THERM
ERMERM
ERMIS
ISIS
ISTOR
TORTOR
TOR
BE:
BE:BE:
BE:
MO
MO MO
MOTOR
TORTOR
TOR
MO
MO MO
MOTOR
TORTOR
TOR
TH:
TH:TH:
TH:
A
A A
AVLOPPSP
VLOPPSPVLOPPSP
VLOPPSP UM
UMUM
UMP
PP
P
DR
DR DR
DRA
AA
AI
II
IN
NN
N P
P P
PUM
UMUM
UMP
PP
P
MO:
MO:MO:
MO:
F
FF
FIL
ILIL
ILT
TT
TER
ERER
ER
F
FF
FIL
ILIL
ILT
TT
TER
ERER
ER
AP:
AP:AP:
AP:
F
FF
FUS
USUS
USE
EE
E
S[KR
S[KR S[KR
S[KR I
II
ING
NGNG
NG
F:
F:F:
F:
R
R R
REL[
EL[EL[
EL[
R
R R
RELA
ELAELA
ELAY
YY
Y
I
II
IN
NN
NDCA
DCADCA
DCAT
TT
TIO
IOIO
ION
NN
N LAM
LAM LAM
LAMP
PP
P
S:
S:S:
S:
BO
BO BO
BOT
TT
TT
TT
TE
EE
EN
NN
N
R:
R:R:
R:
BO
BO BO
BOT
TT
TTOM
TOMTOM
TOM
O
O O
OU
UU
UTL
TLTL
TLE
EE
ET
TT
T WASH
WASH WASH
WASHI
II
ING
NGNG
NG-MA
-MA-MA
-MACHI
CHICHI
CHIN
NN
NE
EE
E
IL
ILIL
ILA:
A:A:
A:
OV
OV OV
OVER
ERER
ERFLOW
FLOWFLOW
FLOW PRO
PRO PRO
PROT
TT
TEC
ECEC
ECT
TT
TIO
IOIO
ION
NN
N SW
SW SW
SWI
II
IT
TT
TCH
CHCH
CH
BO:
BO:BO:
BO:
\V
\V \V
\VERSV
ERSVERSV
ERSV[M
[M[M
[MN
NN
NI
II
INGSB
NGSBNGSB
NGSBRY
RYRY
RYT
TT
TARE
AREARE
ARE
TH
THTH
THERMOS
ERMOSERMOS
ERMOS T
TT
TA
AA
AT,
T,T,
T, A
A A
AU
UU
UTOM
TOMTOM
TOMA
AA
AT
TT
TI
II
IC (L
C (LC (L
C (LI
II
IN
NN
NT
TT
T D
D D
DE
EE
ET
TT
TEC
ECEC
ECT
TT
TIO
IOIO
ION)
N)N)
N)
REC
RECREC
REC:
::
:
T
TT
TERMOS
ERMOSERMOS
ERMOS T
TT
TA
AA
AT,
T,T,
T, A
A A
AU
UU
UTOM
TOMTOM
TOMA
AA
AT
TT
TISK
ISKISK
ISK (L
(L (L
(LU
UU
UDDA
DDADDA
DDAVK[
VK[VK[
VK[N
NN
NN
NN
NI
II
ING)
NG)NG)
NG)
TH
THTH
THERMOS
ERMOSERMOS
ERMOS T
TT
TA
AA
AT,
T,T,
T, MA
MA MA
MAN
NN
NU
UU
UEL
EL EL
EL RESE
RESERESE
RESET
TT
T
OF:
OF:OF:
OF:
T
TT
TERMOS
ERMOSERMOS
ERMOS T
TT
TA
AA
AT,
T,T,
T, MA
MA MA
MAN
NN
NU
UU
UELL
ELLELL
ELLT
TT
T ]
] ]
]T
TT
TERS
ERSERS
ERST
TT
T[LLBA
[LLBA[LLBA
[LLBAR
RR
R
V
V V
V[RME
[RME[RME
[RMEELEM
ELEMELEM
ELEME
EE
EN
NN
NT,
T,T,
T, H\G
H\G H\G
H\G EF
EFEF
EFFEK
FEKFEK
FEKT
TT
T
EL
ELEL
EL4,
4,4,
4,8:
8:8:
8:
V
V V
V[RME
[RME[RME
[RMEELEM
ELEMELEM
ELEME
EE
EN
NN
NT,
T,T,
T, L]G
L]G L]G
L]G E
E E
EF
FF
FFEK
FEKFEK
FEKT
TT
T
L1
L1 L1
L1 2
22
2
EL6
EL6EL6
EL6
BE
BEBE
BE
L3
L3L3
L3
L2
L2L2
L2
ST
ST
ST
ST
7
7
7
7
-
-
-
-
5
5
5
5
R2
R2R2
R23
33
3
ELB
ELBELB
ELB
R2
R2R2
R24
44
4
EL1
EL1EL1
EL1
ST
ST
ST
ST
7
7
7
7
-
-
-
-
3
3
3
3
ST8
ST8
ST8
ST8
-
-
-
-
4
4
4
4
AL
ALAL
ALT
TT
TER
ERER
ERN
NN
NA
AA
AT
TT
TI
II
IVE
VEVE
VE W
W W
WIR
IRIR
IRI
II
ING
NGNG
NG
I
II
IN
NN
NT
TT
TER
ERER
ERN
NN
NAL
AL AL
AL CO
COCO
CON
NN
NN
NN
NEC
ECEC
ECT
TT
TIO
IOIO
ION
NN
N
ST
ST
ST
ST
6-
6-
6-
6-
1
1
1
1
ST1
ST1ST1
ST1-1
-1-1
-1
AP
APAP
AP
BE
BEBE
BE
ST1
ST1ST1
ST1-
--
-2
22
2
ST
ST
ST
ST
3
3
3
3
-1
-1
-1
-1
ST
ST
ST
ST
3
3
3
3
-
-
-
-
2
2
2
2
L1(L2)
L1(L2)L1(L2)
L1(L2)
99 26
N
NN
N
REC
RECREC
REC G
G G
G
L1
L1L1
L1
REC
RECREC
REC L
L L
L
01
L2
L2L2
L2
L3
L3L3
L3
REC
RECREC
REC L
L L
L
ST2-1 - ST2-2 was 230
N(L
N(LN(L
N(L1)
1)1)
1)
R4
R4R4
R43
33
3
HT 99 02
F1
F1F1
F1
N(L
N(LN(L
N(L1)
1)1)
1)
S
S S
S
R2
R2R2
R23
33
3
L2
L2L2
L2
L3(L
L3(LL3(L
L3(L2)
2)2)
2)
SS (F
SS (FSS (F
SS (F2)
2)2)
2)
R2
R2R2
R23
33
3
5
55
5 V
V V
Vd
dd
dc
cc
c
ST
STST
ST5
55
5-
--
-2
22
2
-
--
- S
S S
ST
TT
T5
55
5-
--
-3
33
3
1
1 1
1-1
-1-1
-15
55
5
m
mm
mV
VV
Vd
dd
dc
cc
c
ST
STST
ST2
22
2-1
-1-1
-1
-
--
- S
S S
ST
TT
T2
22
2-
--
-2
22
2
ST8
ST8ST8
ST8-
--
-5
55
5
ST8
ST8ST8
ST8-
--
-4
44
4
13
1313
13 V
V V
Vd
dd
dc
cc
c (
( (
(TD
TDTD
TD4
44
44)
4)4)
4)
O
O O
O V (
V (V (
V (TD
TDTD
TD4
44
44)
4)4)
4)
ST8
ST8ST8
ST8-
--
-3
33
3
0
00
0 V
V V
Vac
acac
ac (
( (
(TD
TDTD
TD4
44
44)
4)4)
4)
DA
DADA
DAT
TT
TA O
A OA O
A OU
UU
UT
TT
T
CLOCK
CLOCKCLOCK
CLOCK
TH
THTH
THERM
ERMERM
ERMIS
ISIS
ISTOR
TORTOR
TOR D
D D
DISCO
ISCOISCO
ISCON
NN
NN
NN
NEC
ECEC
ECT
TT
TED
EDED
ED
OPE
OPEOPE
OPEN
NN
N SW
SW SW
SWI
II
IT
TT
TCH
CHCH
CH
ST8
ST8ST8
ST8-1
-1-1
-1
-
--
- S
S S
ST8
T8T8
T8-
--
-2
22
2
DA
DADA
DAT
TT
TA
A A
A I
II
IN
NN
N
DEP
DEPDEP
DEPE
EE
EN
NN
NDI
DIDI
DING
NGNG
NG O
O O
ON
NN
N
TH
THTH
THE H
E HE H
E HUM
UMUM
UMID
IDID
IDI
II
IT
TT
TY
YY
Y
CLOSED
CLOSEDCLOSED
CLOSED SW
SW SW
SWI
II
IT
TT
TCH
CHCH
CH
13
1313
13 V
V V
Vd
dd
dc
cc
c
ST
STST
ST7
77
7-
--
-5
55
5
-
--
- R
R R
R4
44
44
44
4
ST
STST
ST7
77
7-1
-1-1
-1
-
--
- R
R R
R2
22
24
44
4
2
22
23
33
30
00
0
V
V V
Vac
acac
ac
2
22
23
33
30
00
0
V
V V
Vac
acac
ac
ST
STST
ST6-
6-6-
6-1
1 1
1 -
--
- S
S S
ST
TT
T6-
6-6-
6-2
22
25
55
5 V
V V
Vd
dd
dcV
cVcV
cV
HEA
HEAHEA
HEAT
TT
TER
ERER
ER O
O O
ON
NN
N
ST
STST
ST5
55
5-1
-1-1
-1
-
--
- S
S S
ST
TT
T5
55
5-
--
-4
44
4
HEA
HEAHEA
HEAT
TT
TER
ERER
ER O
O O
ON
NN
N
ST
STST
ST5
55
5-
--
-2
22
2
-
--
- S
S S
ST
TT
T5
55
5-
--
-3
33
3
1
1 1
1-1
-1-1
-15
55
5
m
mm
mV
VV
Vd
dd
dc
cc
c
15
1515
15 V
V V
Vd
dd
dc
cc
c
ST
STST
ST3
33
3-1
-1-1
-1
-
--
- S
S S
ST
TT
T3
33
3-
--
-2
22
2
ST
STST
ST3
33
3-1
-1-1
-1
-
--
- S
S S
ST
TT
T3
33
3-
--
-2
22
2
ST
STST
ST2
22
2-1
-1-1
-1
-
--
- S
S S
ST
TT
T2
22
2-
--
-2
22
2
13
1313
13 V
V V
Vd
dd
dc
cc
c (
( (
(TD
TDTD
TD4
44
44)
4)4)
4)
O
O O
O V (
V (V (
V (TD
TDTD
TD4
44
44)
4)4)
4)
TH
THTH
THERM
ERMERM
ERMIS
ISIS
ISTOR
TORTOR
TOR D
D D
DISCO
ISCOISCO
ISCON
NN
NN
NN
NEC
ECEC
ECT
TT
TED
EDED
ED
DEP
DEPDEP
DEPE
EE
EN
NN
NDI
DIDI
DING
NGNG
NG O
O O
ON
NN
N
TH
THTH
THE H
E HE H
E HUM
UMUM
UMID
IDID
IDI
II
IT
TT
TY
YY
Y
2
22
23O
3O3O
3O V
V V
Vac
acac
ac (
( (
(TD
TDTD
TD4
44
44)
4)4)
4)
N
NN
NUMM
UMMUMM
UMMER
ERER
ER
I
II
INOM
NOMNOM
NOM ( )
( ) ( )
( ) G[LL
G[LL G[LL
G[LLER
ERER
ER
F\R
F\RF\R
F\R
US
USUS
USA
A A
A &
& &
& CA
CACA
CAN
NN
NADA
ADAADA
ADA
N
NN
NUM
UMUM
UMBERS
BERSBERS
BERS
I
II
IN
NN
N ( )
( ) ( )
( ) V
V V
VAL
ALAL
ALID
IDID
ID
FOR
FORFOR
FOR
US
USUS
USA
A A
A &
& &
& CA
CACA
CAN
NN
NADA
ADAADA
ADA
R4
R4R4
R43
33
3
WI
WIWI
WIRI
RIRI
RING
NGNG
NG
J
JJ
JAPA
APAAPA
APAN
NN
N
V
VV
VI
II
IT/WH
T/WHT/WH
T/WHI
II
IT
TT
TE
EE
E
BL]/BL
BL]/BLBL]/BL
BL]/BL U
UU
UE
EE
E
Wiring Japan added,JS added,MO4 changed
PS
02
R2
R2R2
R23
33
3
MACH
MACH
MACH
MACH
I
I
I
I
N
N
N
N
E
E
E
E
L
LL
L
I
II
INK
NKNK
NKB:
B:B:
B:
LB:
LB:LB:
LB:
L2
L2L2
L2
L1
L1L1
L1
L
L L
LU
UU
UCKBRY
CKBRYCKBRY
CKBRYT
TT
TARE
AREARE
ARE
DOOR
DOOR DOOR
DOOR SW
SW SW
SWI
II
IT
TT
TCH
CHCH
CH
I
II
INKOP
NKOPNKOP
NKOPPLI
PLIPLI
PLINGSPL
NGSPLNGSPL
NGSPLI
II
IN
NN
NT
TT
T
N
NN
N
MA
MA MA
MAI
II
IN
NN
N
T
TT
TERM
ERMERM
ERMI
II
IN
NN
NAL
AL AL
AL BLOCK
BLOCKBLOCK
BLOCK
I
II
IN
NN
NDIK
DIKDIK
DIKER
ERER
ERI
II
INGSL
NGSLNGSL
NGSLAMPA
AMPAAMPA
AMPA
N
NN
N
U
UU
UT
TT
TT
TT
TAG
AG AG
AG T
TT
TV[
V[V[
V[T
TT
TTM
TMTM
TMASKI
ASKIASKI
ASKI N
NN
N
L1
L1L1
L1
HE
HE HE
HEA
AA
AT
TT
TER,
ER,ER,
ER, H
H H
HIGH
IGHIGH
IGH POW
POW POW
POWER
ERER
ER
L2
L2L2
L2
HE
HE HE
HEA
AA
AT
TT
TER,
ER,ER,
ER, LOW
LOW LOW
LOW POW
POW POW
POWER
ERER
ER
N
NN
N
L1
L1L1
L1
US
USUS
USED
EDED
ED
FOR
FORFOR
FOR
3
33
3-W
-W-W
-WIR
IRIR
IRE
E E
E CO
COCO
CON
NN
NN
NN
NEC
ECEC
ECT
TT
TIO
IOIO
ION
NN
N
CO
COCO
CON
NN
NN
NN
NEC
ECEC
ECT
TT
TIO
IOIO
ION
NN
N BOX
BOX BOX
BOX
L
LL
L
N
NN
N
L2
L2L2
L2
2
22
2
US
USUS
USED
EDED
ED
FOR
FORFOR
FOR
4
44
4-W
-W-W
-WIR
IRIR
IRE
E E
E CO
COCO
CON
NN
NN
NN
NEC
ECEC
ECT
TT
TIO
IOIO
ION
NN
N
L2
L2L2
L2
2
22
2
L2
L2L2
L2
S1B
S1BS1B
S1B
S1S
S1SS1S
S1S
S2B
S2BS2B
S2B
S2S
S2SS2S
S2S
R3
R3R3
R33
33
3
R4
R4R4
R43
33
3
F1
F1F1
F1
xA
xAxA
xA
F1
F1F1
F1N
NN
N
R3
R3R3
R33
33
3
F
FF
F2
22
2N
NN
N
xA
xAxA
xA E
E E
EJ
JJ
J
I
II
INKL
NKLNKL
NKLU
UU
UDER
DERDER
DERAD
ADAD
AD
I
II
I 1
1 1
1-
--
-FAS
FASFAS
FAS 1
1 1
10
00
0 A
A A
A
xA
xAxA
xA
NO
NONO
NOT
TT
T
I
II
IN
NN
NCL
CLCL
CLU
UU
UDED
DEDDED
DED
I
II
IN
NN
N 1
1 1
1-PH
-PH-PH
-PHASE
ASEASE
ASE 1
1 1
10
00
0 A
A A
A
L1
L1 L1
L1 2
22
2
I
II
INK
NKNK
NK2
22
2
JS
JSJS
JS
R4
R4R4
R43
33
3
ELV
ELVELV
ELV
EL
ELEL
EL3,
3,3,
3,7:
7:7:
7:
2
22
2
R3
R3R3
R33
33
3
EL
ELEL
EL2,
2,2,
2,6:
6:6:
6:
4
44
4
EL1,
EL1,EL1,
EL1,5:
5:5:
5:
R4
R4R4
R44
44
4
R3
R3R3
R34
44
4
ST
STST
ST7
77
7-1
-1-1
-1
EL
ELEL
EL3
33
3
MO2
MO2MO2
MO2 ST1
ST1ST1
ST1-
--
-4
44
4
R
R R
R a
aa
a
F1
F1F1
F1
F2
F2F2
F2
5
55
5
8
88
8
6
66
6
F4
F4F4
F4
F3
F3F3
F3
OF
OFOF
OF2
22
2
MO4
MO4MO4
MO4
ST8
ST8
ST8
ST8
-1
-1
-1
-1
ST8
ST8
ST8
ST8
-
-
-
-
2
2
2
2
ST8
ST8
ST8
ST8
-
-
-
-
3
3
3
3
ST8
ST8
ST8
ST8
-
-
-
-
5
5
5
5
ST1
ST1ST1
ST1-
--
-3
33
3
ST
ST
ST
ST
6-
6-
6-
6-
2
2
2
2
ST
ST
ST
ST
2
2
2
2
-1
-1
-1
-1
ST
ST
ST
ST
2
2
2
2
-
-
-
-
2
2
2
2
AP
APAP
AP
ST
ST
ST
ST
5
5
5
5
-
-
-
-
4
4
4
4
ST
ST
ST
ST
5
5
5
5
-
-
-
-
3
3
3
3
ST
ST
ST
ST
5
5
5
5
-
-
-
-
2
2
2
2
AL
ALAL
ALT
TT
TER
ERER
ERN
NN
NA
AA
AT
TT
TI
II
IV KOP
V KOPV KOP
V KOPPLI
PLIPLI
PLING
NGNG
NG
I
II
IN
NN
NT
TT
TER
ERER
ERN
NN
N KOPPL
KOPPL KOPPL
KOPPL I
II
ING
NGNG
NG
ST1
ST1ST1
ST1-1
-1-1
-1
-
--
- S
S S
ST1
T1T1
T1-
--
-3
33
3
BO
BOBO
BO
ST8
ST8ST8
ST8-
--
-5
55
5
PROGRAM
PROGRAMPROGRAM
PROGRAM R
R R
RU
UU
UN
NN
NN
NN
NI
II
ING
NGNG
NG,
,,
,
ST11
ST11
ST11
ST11
-
-
-
-
2
2
2
2
ST1
ST1ST1
ST1-1
-1-1
-1
-
--
- S
S S
ST1
T1T1
T1-
--
-4
44
4
2
22
23
33
30
00
0 V
V V
Vac
acac
ac
2
22
23
33
30
00
0 V
V V
Vac
acac
ac
2
22
23O
3O3O
3O V
V V
Vac
acac
ac
2
22
23
33
30
00
0 V
V V
Vac
acac
ac
TH
THTH
TH
POWER
POWERPOWER
POWER O
O O
ON
NN
N, P
, P, P
, PROGRAM
ROGRAMROGRAM
ROGRAM
I
II
IN
NN
N S
S S
ST
TT
TA
AA
AN
NN
NDBY,
DBY,DBY,
DBY, DOOR
DOOR DOOR
DOOR CLOS
CLOS CLOS
CLOS ED
EDED
ED
ST11
ST11
ST11
ST11
-1
-1
-1
-1
ST1
ST1ST1
ST1-1
-1-1
-1
-
--
- S
S S
ST11
T11T11
T11-1
-1-1
-1
15
1515
15 V
V V
Vd
dd
dc
cc
c
ST
STST
ST3
33
3-1
-1-1
-1
-
--
- S
S S
ST
TT
T3
33
3-
--
-2
22
2
ST
STST
ST3
33
3-1
-1-1
-1
-
--
- S
S S
ST
TT
T3
33
3-
--
-2
22
2
0
00
0
V
V V
V
0
00
0
v
v v
v
ST
STST
ST5
55
5-1
-1-1
-1
-
--
- S
S S
ST
TT
T5
55
5-
--
-4
44
4
13
1313
13 V
V V
Vd
dd
dc
cc
c
DA
DADA
DAT
TT
TA
A A
A I
II
IN
NN
N
ST
STST
ST6-
6-6-
6-1
1 1
1 -
--
- S
S S
ST
TT
T6-
6-6-
6-2
22
2
CLOCK
CLOCKCLOCK
CLOCK
DA
DADA
DAT
TT
TA O
A OA O
A OU
UU
UT
TT
T
ST
STST
ST7
77
7-1
-1-1
-1
-
--
- S
S S
ST
TT
T7
77
7-
--
-3
33
3
ST
STST
ST7
77
7-
--
-5
55
5
-
--
- S
S S
ST
TT
T7
77
7-
--
-3
33
3
ST8
ST8ST8
ST8-1
-1-1
-1
-
--
- S
S S
ST8
T8T8
T8-
--
-2
22
2
ST8
ST8ST8
ST8-
--
-3
33
3
ST8
ST8ST8
ST8-
--
-4
44
4
TB
TBTB
TB1
11
1
H
H H
HUM
UMUM
UMID
IDID
IDI
II
IT
TT
TY
YY
Y
SE
SE SE
SENSOR
NSORNSOR
NSOR
TB
TBTB
TB1
11
1
ST1
ST1ST1
ST1-1
-1-1
-1
-
--
- S
S S
ST11
T11T11
T11-1
-1-1
-1
FOR
FORFOR
FOR
TD
TDTD
TD4
44
44
44
4 C
C C
CU
UU
UT
TT
T
J1
J1J1
J1
J1
J1J1
J1
J2
J2J2
J2
K
KK
KCU
CUCU
CU
R\D/RE
R\D/RER\D/RE
R\D/RE D
DD
D
N
NN
N
L1
L1L1
L1
L3
L3L3
L3
L3
L3L3
L3
R2
R2R2
R23
33
3
F1
F1F1
F1 R4
R4R4
R43
33
3
TP
TPTP
TP3
33
3
TP
TPTP
TP2
22
2
S
S S
S
TP
TPTP
TP1
11
1
KOPPLI
KOPPLIKOPPLI
KOPPLING
NGNG
NG
3
33
3-
--
-FAS
FASFAS
FAS
U
UU
UT
TT
TA
AA
AN
NN
N
NOLL
NOLLNOLL
NOLLA /
A /A /
A / W
W W
WIR
IRIR
IRI
II
ING
NGNG
NG
3
33
3-PH
-PH-PH
-PHASE
ASEASE
ASE W
W W
WI
II
ITHO
THOTHO
THOU
UU
UT
TT
T
N
NN
NE
EE
EU
UU
UTR
TRTR
TRAL
ALAL
AL
BR
BRBR
BRU
UU
UN/
N/N/
N/BROW
BROWBROW
BROWN
NN
N
TP
TPTP
TP4
44
4
R3
R3R3
R33
33
3
TP
TPTP
TP5
55
5
SVAR
SVARSVAR
SVART/
T/T/
T/BLACK
BLACKBLACK
BLACK
BL]/BL
BL]/BLBL]/BL
BL]/BL U
UU
UE
EE
E
ORA
ORAORA
ORANG
NGNG
NGE/ORA
E/ORAE/ORA
E/ORANG
NGNG
NGE
EE
E
R\D/RE
R\D/RER\D/RE
R\D/RE D
DD
D
TP
TPTP
TP3
33
3
L2
L2L2
L2 L1
L1L1
L1
OPE
OPEOPE
OPEN
NN
N SW
SW SW
SWI
II
IT
TT
TCH
CHCH
CH
CLOSED
CLOSEDCLOSED
CLOSED SW
SW SW
SWI
II
IT
TT
TCH
CHCH
CH
3
33
30
00
0 SE
SE SE
SECO
COCO
CON
NN
NDS E
DS EDS E
DS EACH
ACHACH
ACH
4
44
4 M
M M
MI
II
IN
NN
NU
UU
UT
TT
TES
ESES
ES
KOPPLI
KOPPLIKOPPLI
KOPPLING
NGNG
NG
3
33
3-
--
-FAS
FASFAS
FAS /
/ /
/ W
W W
WIR
IRIR
IRI
II
ING
NGNG
NG
3
33
3-PH
-PH-PH
-PHASE
ASEASE
ASE
KOPPLI
KOPPLIKOPPLI
KOPPLING
NGNG
NG 1
1 1
1-
--
-FAS
FASFAS
FAS /
/ /
/ W
W W
WIR
IRIR
IRI
II
ING
NGNG
NG 1
1 1
1-PH
-PH-PH
-PHASE
ASEASE
ASE
REC
RECREC
REC G
G G
G
KC
KCKC
KCU
UU
U:
::
:
I
II
INK
NKNK
NKB
BB
B
PC
PCPC
PCU
UU
U:
::
:
TB
TBTB
TB:
::
:
MO
MOMO
MO AP
APAP
AP
SS
SSSS
SS
SB
SBSB
SB
US
USUS
USERS
ERS ERS
ERS I
II
IN
NN
NT
TT
TER
ERER
ERFA
FAFA
FACE
CECE
CE
TR
TRTR
TRYCKBR
YCKBRYCKBR
YCKBRY
YY
YT
TT
TARE
AREARE
ARE
P
P P
PUSH
USHUSH
USH B
B B
BU
UU
UT
TT
TTO
TOTO
TON
NN
N SW
SW SW
SWI
II
IT
TT
TCH
CHCH
CH
PROGR
PROGR PROGR
PROGR AM
AM AM
AM CO
COCO
CON
NN
NTROL
TROLTROL
TROL
U
UU
UN
NN
NI
II
IT
TT
T
K
K K
KN
NN
NAPPSA
APPSAAPPSA
APPSATS
TSTS
TS ME
ME ME
MED D
D DD D
D DISPL
ISPLISPL
ISPLAY
AYAY
AY
PROGR
PROGR PROGR
PROGR AM KO
AM KOAM KO
AM KON
NN
NTROL
TROLTROL
TROLLE
LELE
LENH
NHNH
NHE
EE
ET
TT
T
1
11
1
EL
ELEL
EL4
44
4
SS
SSSS
SS
I
II
INK
NKNK
NKB
BB
B
I
II
INK
NKNK
NKB
BB
B
N(L
N(LN(L
N(L1)
1)1)
1)
L1(L2)
L1(L2)L1(L2)
L1(L2)
L3
L3L3
L3
L1
L1L1
L1
OF1
OF1OF1
OF1
N
NN
N
F1
F1F1
F1
L2
L2L2
L2
R3
R3R3
R33
33
3

Table of Contents

Related product manuals