EasyManua.ls Logo

Astralpool VRAC III Basic Series - Page 43

Astralpool VRAC III Basic Series
104 pages
Print Icon
To Next Page IconTo Next Page
To Next Page IconTo Next Page
To Previous Page IconTo Previous Page
To Previous Page IconTo Previous Page
Loading...
43
ESPAÑOL
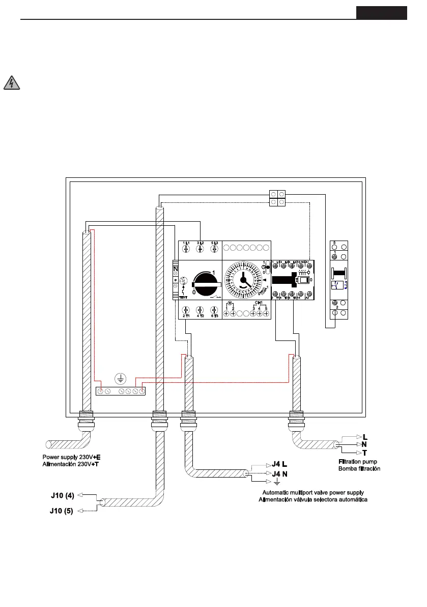
2.3 EJEMPLO DE CONEXIÓN DE ARMARIO ELÉCTRICO MONOFÁSICO 230 V
Antes de proceder a la instalación del material, el usuario debe cerciorarse de que los trabajos de
montaje y mantenimiento los llevan a cabo personas cualicadas y autorizadas, y que éstas hayan
leído previamente las instrucciones de instalación y servicio.
En el esquema se representan las conexiones externas que es necesario realizar para conectar una
válvula selectora System VRAC a un armario ASTRALPOOL 25717.
Desconectar extremo A1 de cable procedente de la conexión 2 del interruptor de 3 posiciones y
añadir regleta para la conexión de la maniobra de la válvula (4-5).

Table of Contents

Related product manuals