EasyManua.ls Logo

Atari 1200XL

Atari 1200XL
50 pages
To Next Page IconTo Next Page
To Next Page IconTo Next Page
To Previous Page IconTo Previous Page
To Previous Page IconTo Previous Page
Loading...
1200XL Home Computer
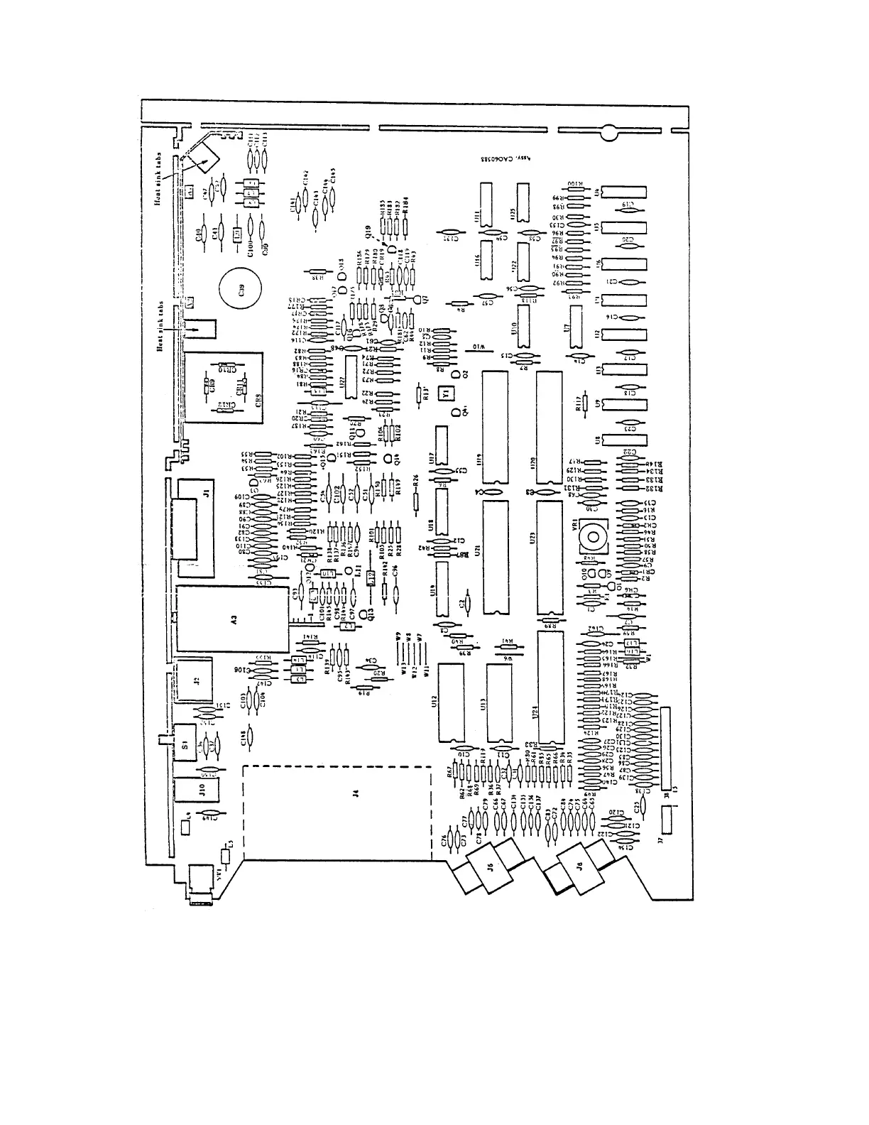
Field Service Manual 2-12

Other manuals for Atari 1200XL

Related product manuals