EasyManua.ls Logo

ATECH BC 900 - Page 5

ATECH BC 900
16 pages
Print Icon
To Next Page IconTo Next Page
To Next Page IconTo Next Page
To Previous Page IconTo Previous Page
To Previous Page IconTo Previous Page
Loading...
SMART TDS BLOWDOWN CONTROLLER
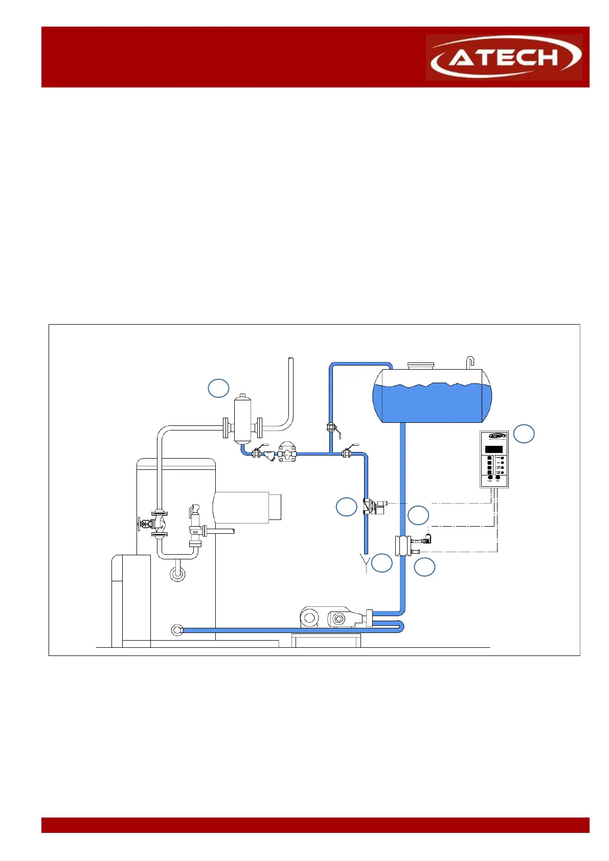
2.2 Typical applications - BCS 920 Automatic TDS Blowdown Systems
Smart Automatic TDS Blowdown Controller BC 900, detects the electrical conductivity (TDS - Total Dissolved Solids)
of boiler water via the Conductivity Probe CP 920.
The TDS Blowdown Control Valve BCV 915 opens and closes in response to a high TDS signal from Smart Automatic
TDS Blowdown Controller BC 900. Keeps open until conductivity of the boiler water drops.
If the conductivty is lower than the set point the TDS Blowdown Control Valve BCV 915 remains closed.
Please refer to "BCV 900 Installation and Operation Manual for Automatic TDS Blowdown Control Valve" and
"CP 920 Installation and Operation Manual for Conductivity Probe" for detailed information before assembly.
1- BC 900 TDS Blowdown Controller
4- TP 920 Temperature Sensor
2- CP 920 Conductivity Probe 5- BCV 915 TDS Blowdown Control Valve
3- PC D32 Probe Chamber 6- SF - Steam Separator
IM-BC900-18C Page 5
Figure 2 Application of Automatic TDS Blowdown Control System / BCS 920
BC 900
www.atech-ltd.com
1
2
5
3
4
Dranage
Steam Generator
6

Related product manuals