EasyManua.ls Logo

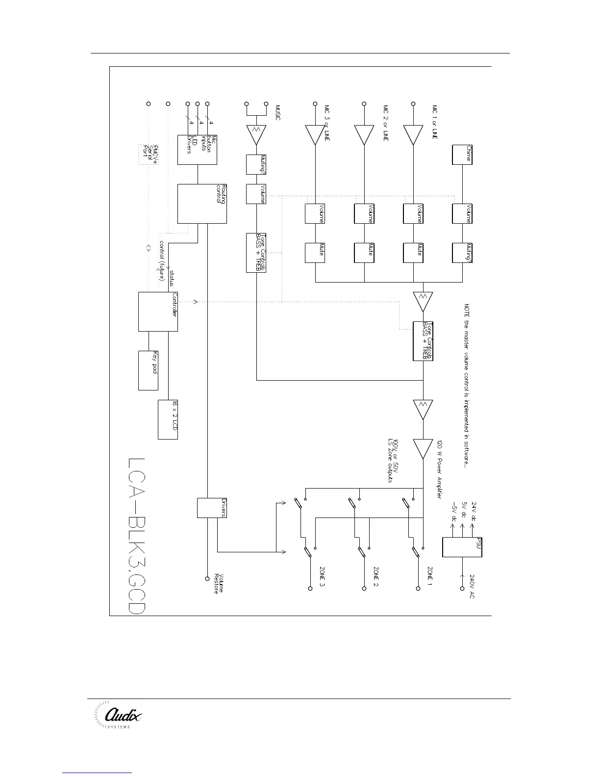
Audix Compact - Block Diagram for 120 W Configuration

Audix Compact
18 pages
Print Icon
To Previous Page IconTo Previous Page
To Previous Page IconTo Previous Page
Loading...
Compact User Manual
Page 18 of
18
21005 V3