EasyManua.ls Logo

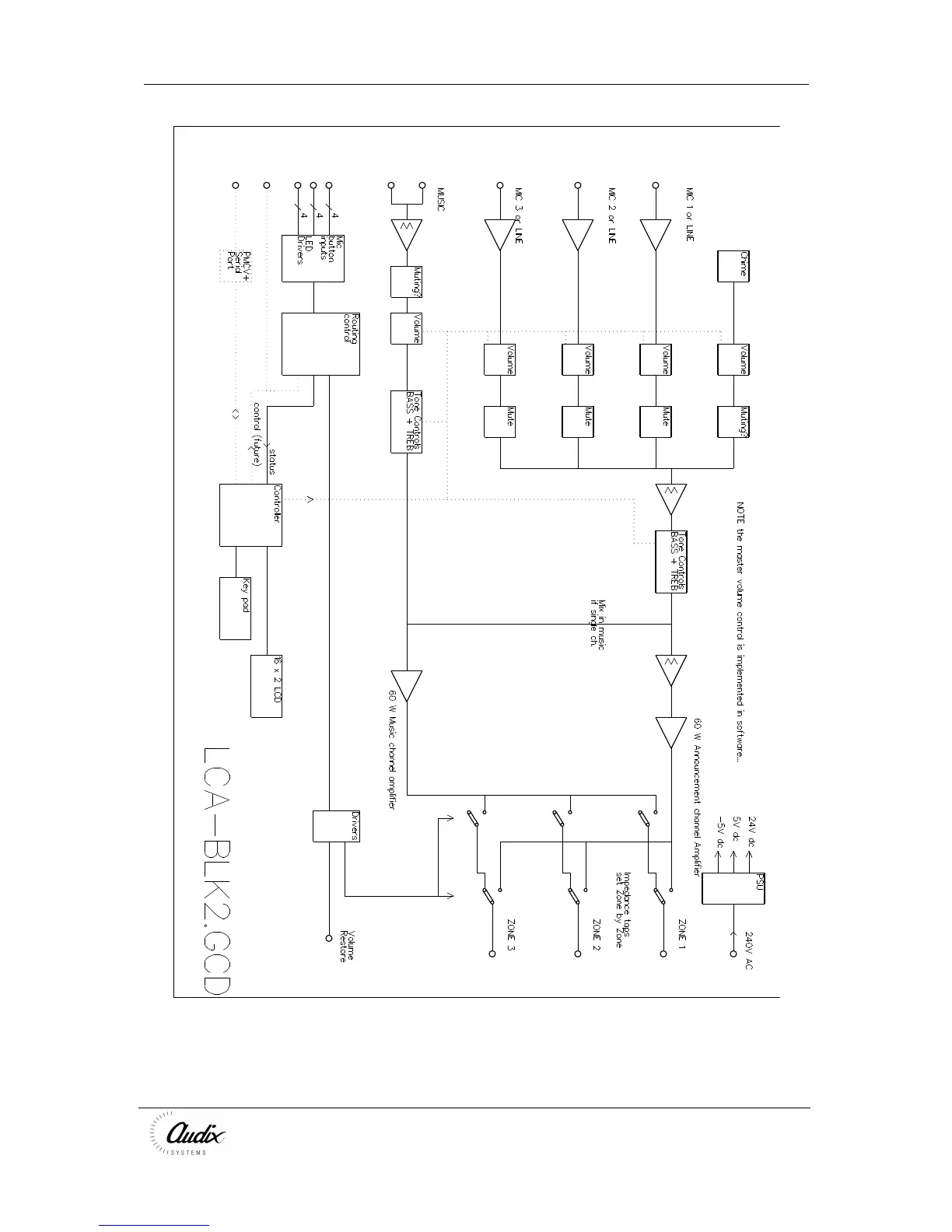
Audix Compact - System Block Diagrams; Block Diagram for 2 x60 W Configuration

Audix Compact
18 pages
Print Icon
To Next Page IconTo Next Page
To Next Page IconTo Next Page
To Previous Page IconTo Previous Page
To Previous Page IconTo Previous Page
Loading...
Compact User Manual
Page 17 of
18
21005 V3
11 Block Diagrams