EasyManua.ls Logo

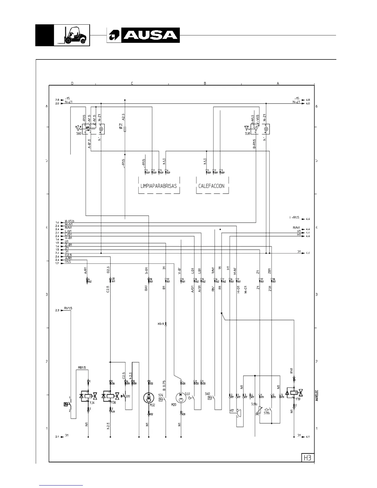
AUSA CH 200 - Electric Circuit CH250 (Diagram 3)

AUSA CH 200
51 pages
Print Icon
To Next Page IconTo Next Page
To Next Page IconTo Next Page
To Previous Page IconTo Previous Page
To Previous Page IconTo Previous Page
Loading...
Electric circuit CH250 3
44
CH 200 / CH 250

Other manuals for AUSA CH 200

Related product manuals