EasyManua.ls Logo

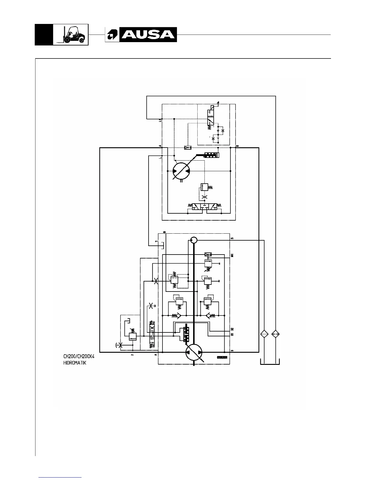
AUSA CH 200 - Hydraulic Diagram (Hydromatik) CH200

AUSA CH 200
51 pages
Print Icon
To Next Page IconTo Next Page
To Next Page IconTo Next Page
To Previous Page IconTo Previous Page
To Previous Page IconTo Previous Page
Loading...
Hydraulic diagram (Hydromatik) CH200 1
48
CH 200 / CH 250

Other manuals for AUSA CH 200

Related product manuals