EasyManua.ls Logo

Auto Crane 3203 PR - Electrical Systems; Electrical Schematics

Default Icon
67 pages
Print Icon
To Next Page IconTo Next Page
To Next Page IconTo Next Page
To Previous Page IconTo Previous Page
To Previous Page IconTo Previous Page
Loading...
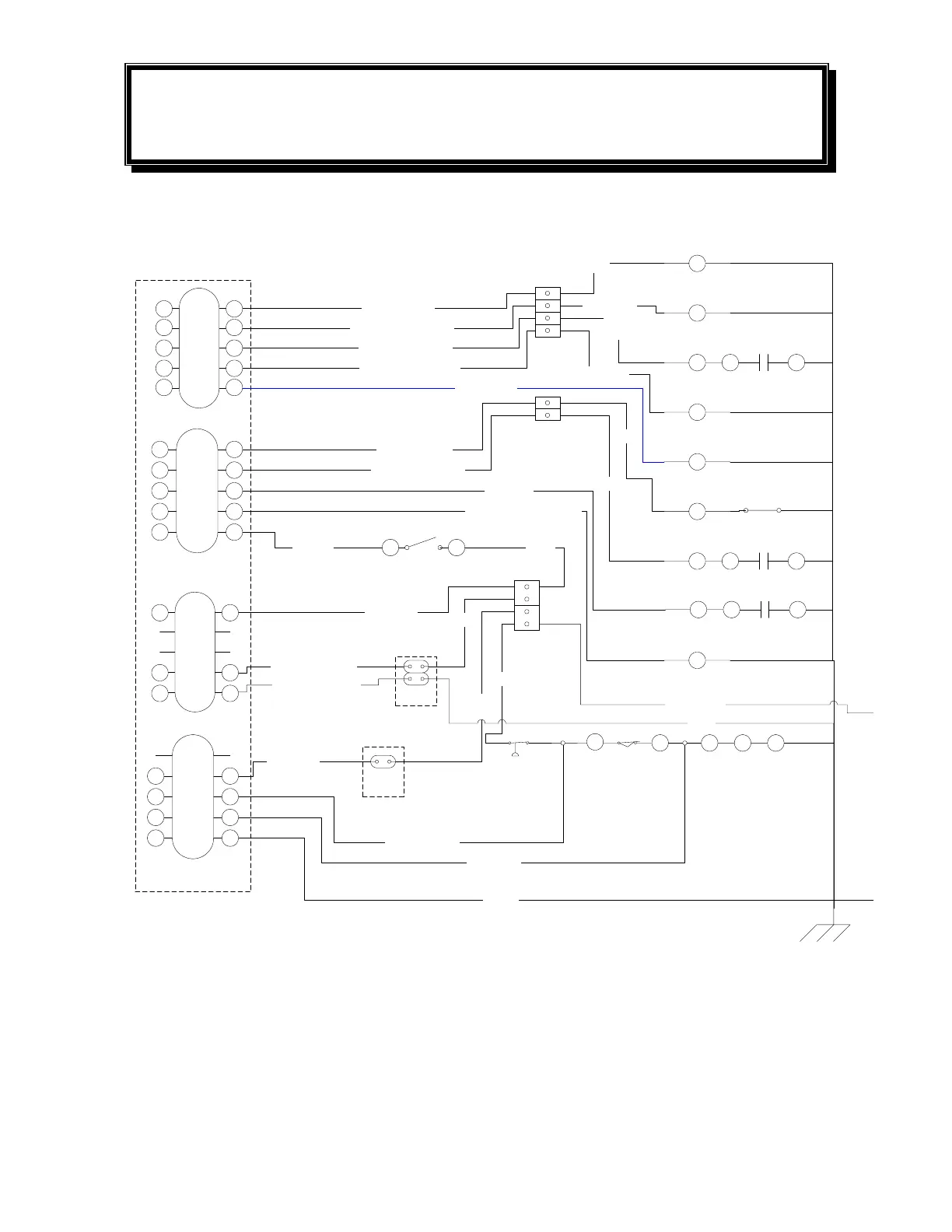
ELECTRICAL SCHEMATICS
3203 SERIES
6-1.0.0
07/10/2003
GENERAL MACHINE SCHEMATIC
PUMP
HOIST DN
(H2)
HOIST UP
(H1)
EXTEND
BOOM UP
ROT CW
BOOM DOWN
RETRACT
ROT CCW
ROT CW (ORG)
ROT CCW (WHT/RED)
EXTEND (GRN/BLK)
RETRACT (ORG/BLK)
PUMP (WHT/
BLK)
BOOM UP (YEL)
BOOM DOWN (BLU)
HOIST UP
(GRN)
HOIST DOWN (RED/BLK)
+ (RED)
(ORG)
(WHT/RED)
(GRN/
BLK)
(ORG/BLK)
(YEL)
(BLU)
1
2
3
4
1
1
1
2
1
3
1
4
PRESSURE
SWITCH
(RED)
(RED 16 GA)
- (BLK)
CANNON PLUG
T
U
P
G
N
V
A
K
B
F
D
C
E
H
M
J
BR1
8730
PRESSURE SW
(BLU/RED)
A2B
(RED/WHT)
BOSCH 1
(BR1)
85 86
A2B
CO
NO
BATT.
VOLTAGE
(BLU/WHT)
A
K
B
F
D
C
E
H
M
J
LL
U
P
G
BLANK
PLUG
(RED/
BLK)
PROG. PIN
(BLK/WHT)
T
PENDANT
PLUG
CAN H (GRN/WHT)
CAN L (ORG/RED)
(RED)
(BLK)
N
V
CONTROL POWER
TOGGLE
(RED)
1
7
8
7
9
2
0
1
8
1
9
1
0
5
6
15
16
2 3
(WHT/RED) (ORG)
(RED)
BR1
30 87
BR1
30 87
BOOM LIMIT
SWITCH
SCHEMATIC CONTINUED ON NEXT PAGE

Related product manuals