EasyManua.ls Logo

Automatic Technology Australia GDO-4 V4 EasyRoller - Page 7

Default Icon
24 pages
Print Icon
To Next Page IconTo Next Page
To Next Page IconTo Next Page
To Previous Page IconTo Previous Page
To Previous Page IconTo Previous Page
Loading...
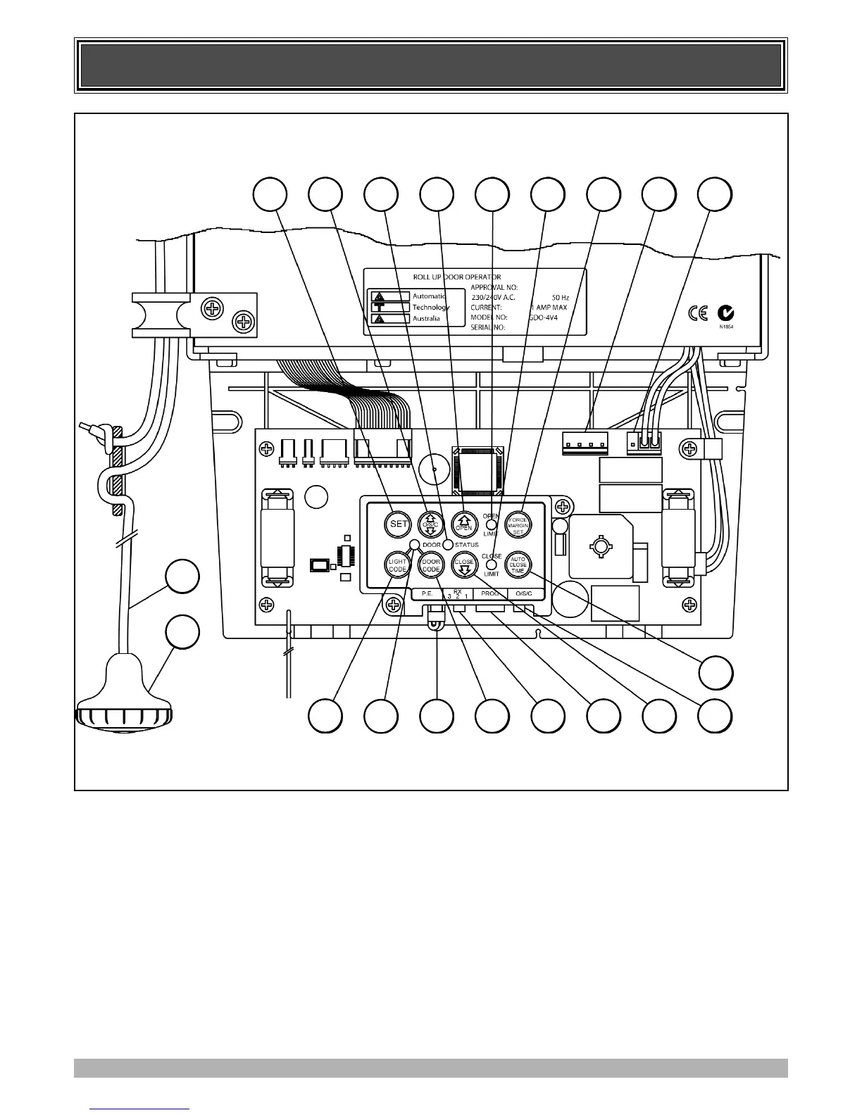
OPERATING CONTROLS
7
1) LIGHT CODE BUTTON (WHITE)
2) CODING LED (RED)
3) DOOR CODE BUTTON (BLUE)
4) P.E. SHUNT
5) DOOR STATUS LED (YELLOW)
6) RX INPUT
7) PROG INPUT
8) CLOSE DRIVE BUTTON (RED)
9) CLOSE LIMIT LED (RED)
10) O/S/C INPUT
11) AUTO CLOSE BUTTON (WHITE)
12) MOTOR CONNECTOR
13) BATTERY CHARGER INPUT
14) FORCE MARGIN SET BUTTON
15) OPEN LIMIT LED(GREEN)
16) OPEN DRIVE BUTTON (GREEN)
17) O/S/C BUTTON (YELLOW)
18) SET BUTTON (YELLOW)
19) ENGAGE/DISENGAGEMENT CORD
20) ENGAGE/DISENGAGEMENT HANDLE
EASY ACCESS TRANSMITTER
1
2
4 3
6
7
8
10
11
17
5
16
15
9
14
13
12
18
19
20

Related product manuals