EasyManua.ls Logo

Autostacker A6S - Page 65

Default Icon
84 pages
Print Icon
To Next Page IconTo Next Page
To Next Page IconTo Next Page
To Previous Page IconTo Previous Page
To Previous Page IconTo Previous Page
Loading...
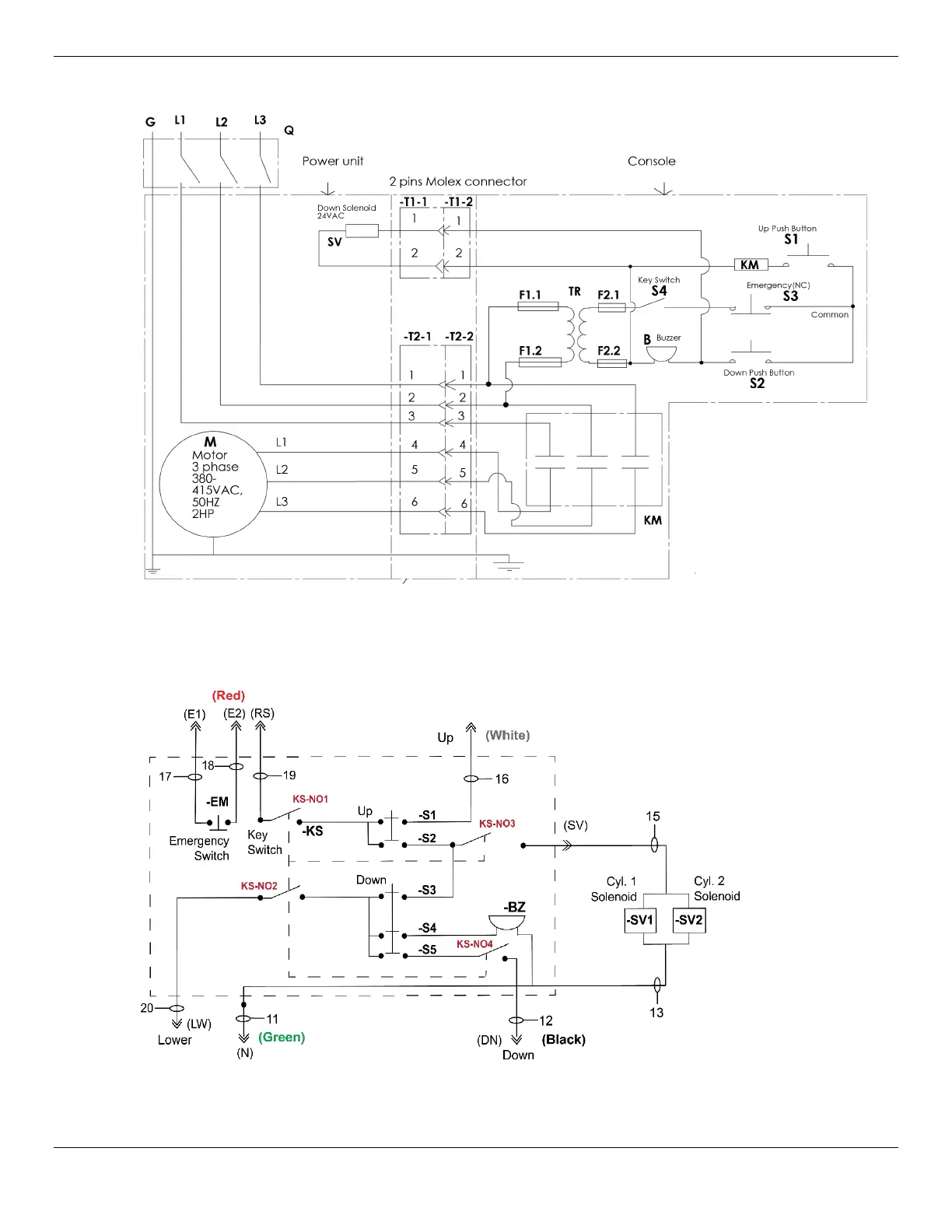
Autostacker™ Parking Lift 65 P/N 5900248Rev. B May 2021
Select voltage, 3Ph:
Multi-Autostacker
Control Stand: