EasyManua.ls Logo

Autostacker A6S - Wiring Diagrams

Default Icon
84 pages
Print Icon
To Next Page IconTo Next Page
To Next Page IconTo Next Page
To Previous Page IconTo Previous Page
To Previous Page IconTo Previous Page
Loading...
Autostacker™ Parking Lift 64 P/N 5900248Rev. B May 2021
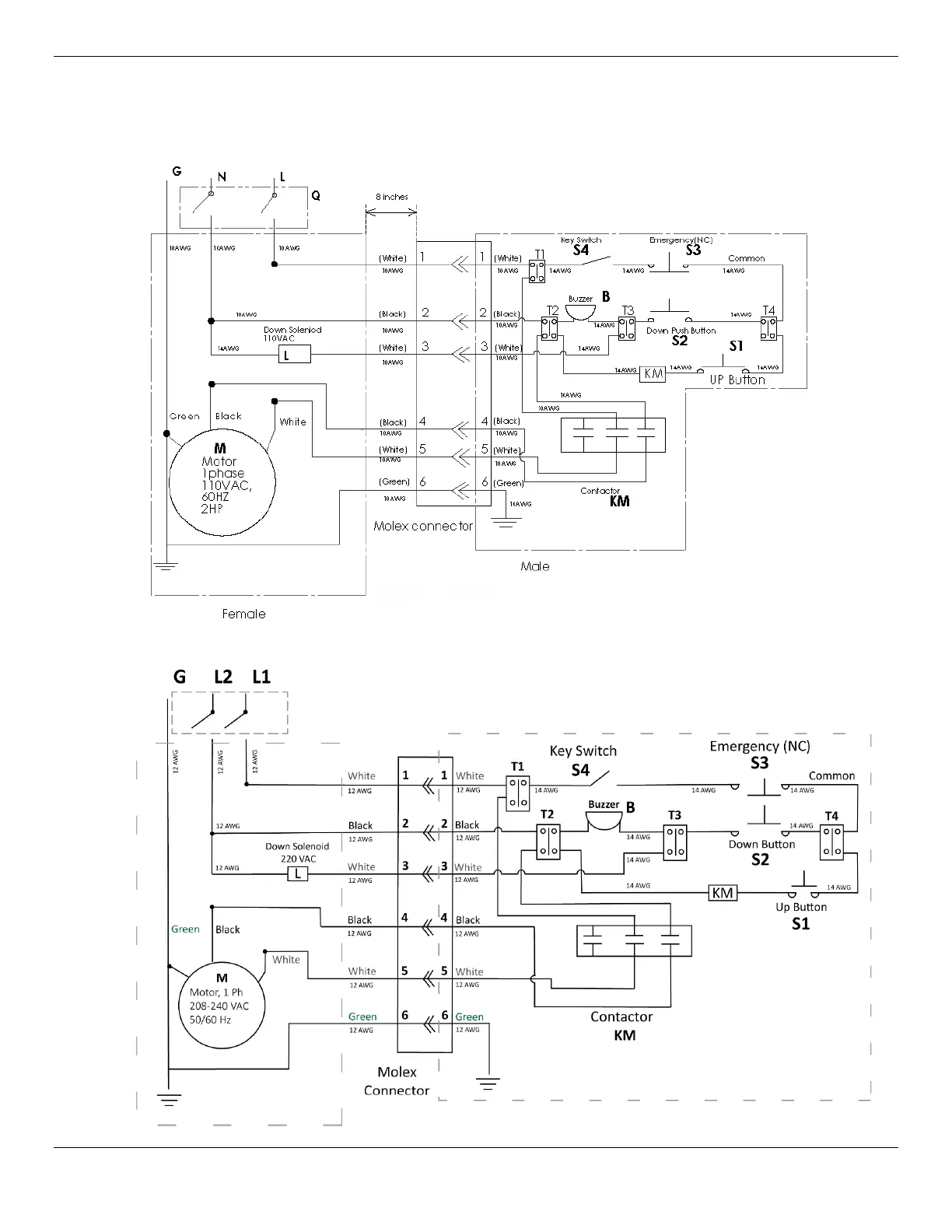
Wiring Diagrams
220V Power Unit, 1Ph:
110V Power Unit, 1Ph: