EasyManua.ls Logo

AUX AMWM-H18/4R3F - 5. Outdoor Unit

AUX AMWM-H18/4R3F
234 pages
Print Icon
To Next Page IconTo Next Page
To Next Page IconTo Next Page
To Previous Page IconTo Previous Page
To Previous Page IconTo Previous Page
Loading...
AUX DC Inverter Free Match 50HZ R32
84
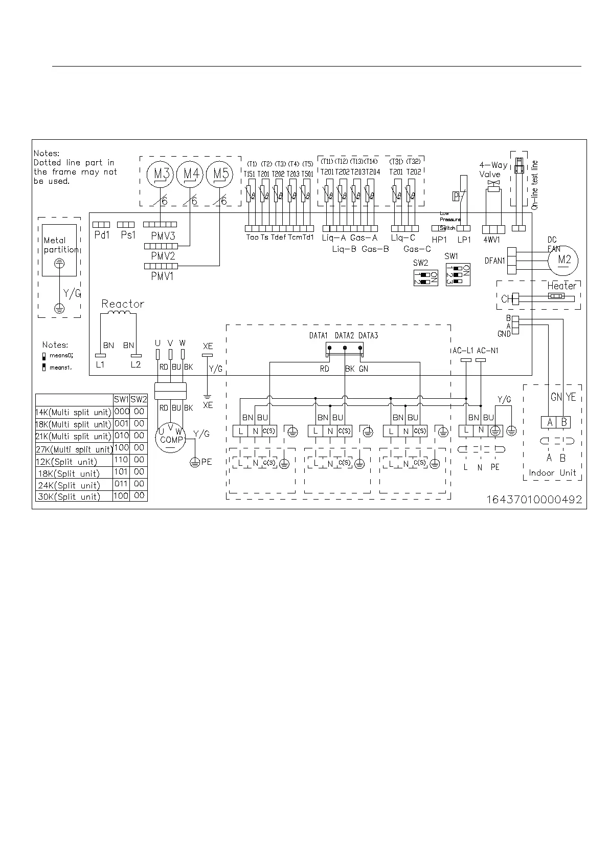
5. Outdoor Unit
5.1 14K, 18K, 21K, 27K
Electronic Expansion Valve
Controller
Exhaust
Condensor Mid
Evap Exit
Compressor suction
Environment
Indoor UnitA
POWER
Temperature Sensor
Indoor UnitB
Indoor UnitC
B A

Table of Contents

Related product manuals