EasyManua.ls Logo

Axminster MB9020 - Wiring Diagram

Axminster MB9020
32 pages
Print Icon
To Next Page IconTo Next Page
To Next Page IconTo Next Page
To Previous Page IconTo Previous Page
To Previous Page IconTo Previous Page
Loading...
29
WHITE
AXMINSTER
W
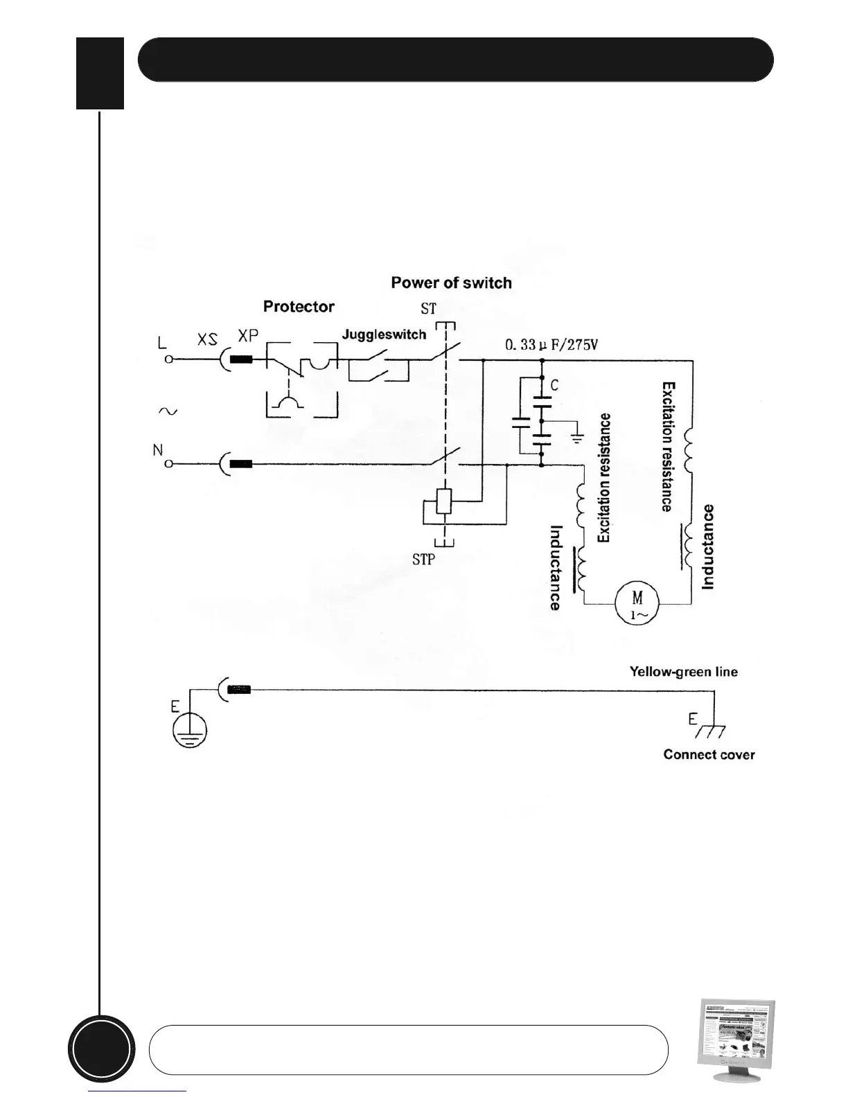
Wiring Diagram...
www.axminster.co.uk