EasyManua.ls Logo

Axor Microspeed 12 - Page 39

Axor Microspeed 12
44 pages
Print Icon
To Next Page IconTo Next Page
To Next Page IconTo Next Page
To Previous Page IconTo Previous Page
To Previous Page IconTo Previous Page
Loading...
39
MICROSPEED
REV 04/05
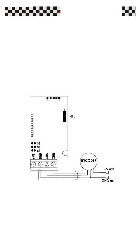
Below is an example,with push pull or open collector
encoder.(Fig. 3).
The encoder receives the power supply from an external
source,connecting the GND of the source with GND of
the board.
If a Line driver encoder is used,connect to input
channel only CHA and CHB positive.
FIG. 3

Related product manuals