EasyManua.ls Logo

Axor Microspeed 12 - EMC Requirements and Filter Connections

Axor Microspeed 12
44 pages
Print Icon
To Next Page IconTo Next Page
To Next Page IconTo Next Page
To Previous Page IconTo Previous Page
To Previous Page IconTo Previous Page
Loading...
MICROSPEED
18
REV 04/05
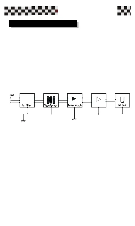
For filter connection (divert to building ground the
unwanted frequency) considering such devices can pro-
duce small leakage current towards building ground (this
current amounts to "some" of milliamperes). For these
precautionary reasons, it is necessary to connect the filter
to building ground prior to connecting the power supply.
Regarding current leakage, remember that it must be
considered when sizing differential devices, thus avoiding
undesired interventions. The precise data relative to our
filters can be found below.
--As shown, the filter must be placed before the trasformer.
--All connections of the Net filters must be shielded and
shouldn't be longer that the length shown in the scheme.
--The cable shield must cover the entire length of the wire
and be as close as possible to the connection terminals.
--Always use shieded cable (twisted) to connect the motor
and the drive.
--Avoid passing signal and power cables through the same
channels.
--It is very important that the panel where the filters are
mounted is connected to ground.
--Power and Command/Signal condotors should not be
placed in the same channels (keep separate). Avoid twisting,
crossing, etc. If crossing is inevitable, try to cross at a 90
degree angle. Where possible use metallic channels
connected to ground.
Max 0.5m Max 1m Max 1m
Max 15m
Microspeed
EMC requirements

Related product manuals