EasyManua.ls Logo

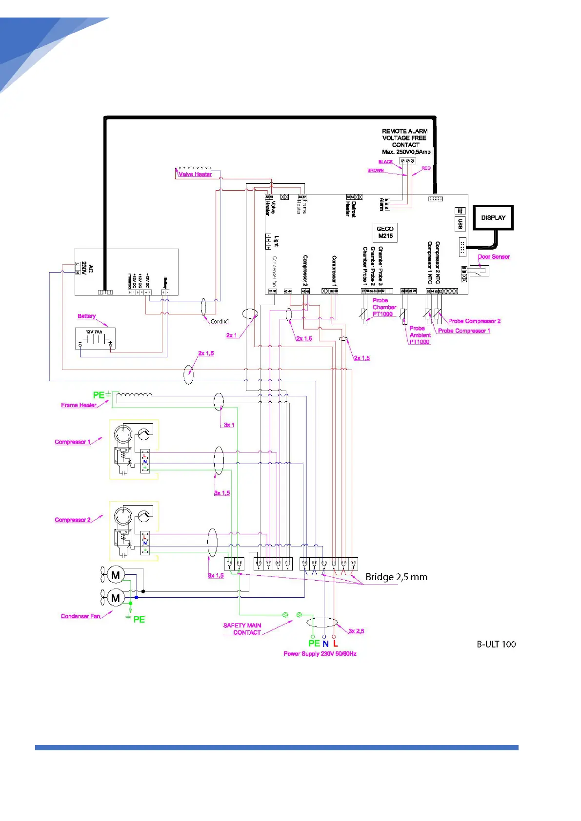
B SCIENCE B-ULT 100 - Wire Diagram B-ULT 100

B SCIENCE B-ULT 100
48 pages
Print Icon
To Next Page IconTo Next Page
To Next Page IconTo Next Page
To Previous Page IconTo Previous Page
To Previous Page IconTo Previous Page
Loading...
ULT FREEZER USER MANUEL
46
Updated 19. April 2021
Wire diagram B-ULT 100