EasyManua.ls Logo

baltur BGN 50 - Page 50

baltur BGN 50
Print Icon
To Next Page IconTo Next Page
To Next Page IconTo Next Page
To Previous Page IconTo Previous Page
To Previous Page IconTo Previous Page
Loading...
50
N° 8881
Rev. 06/11/90
INSTRUCTIONS FOR SETTING LANDIS & GYR
mod. SKP 10.123A27 TWO STAGE GAS VALVES
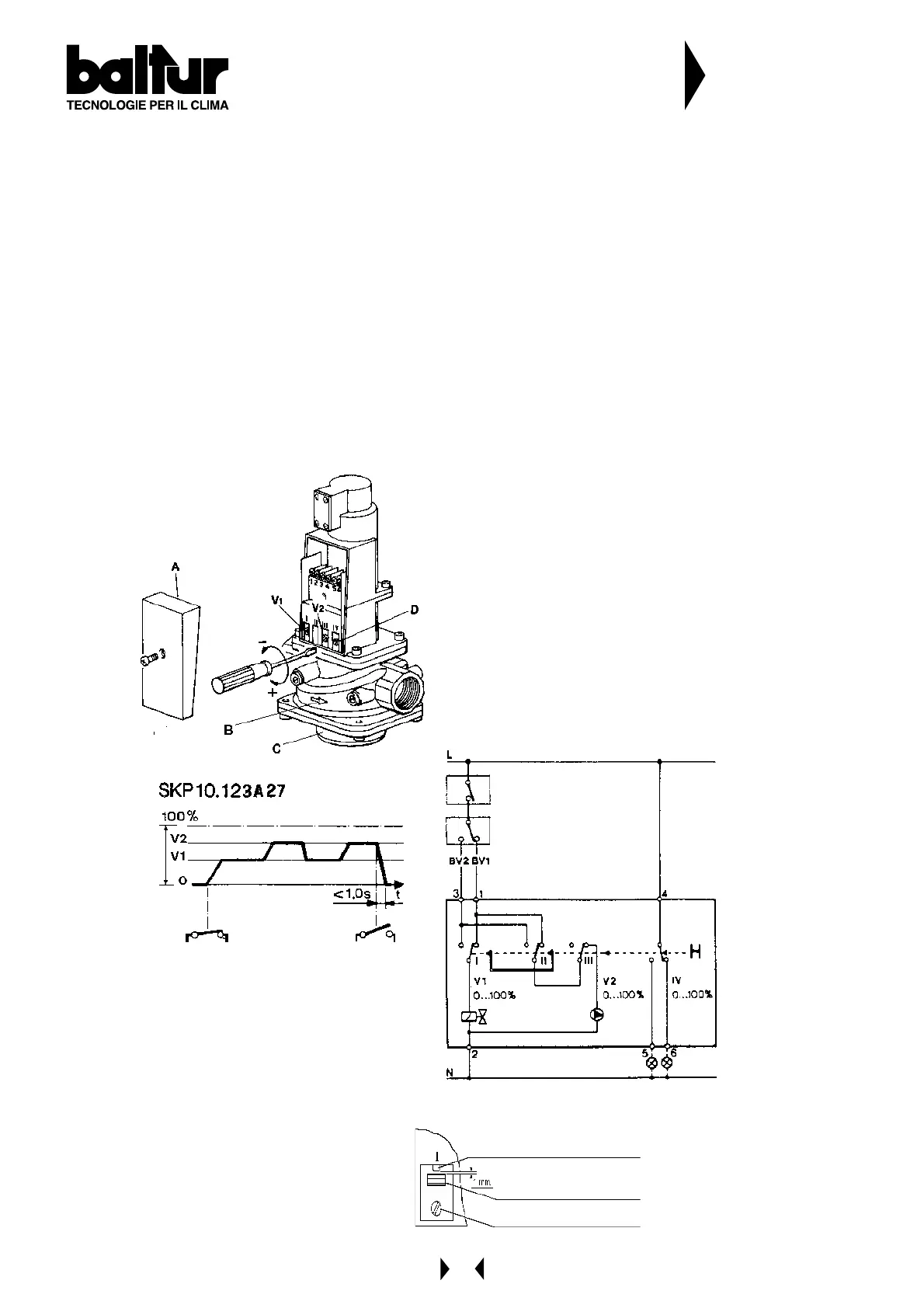
DESCRIPTION OF HOW THE VALVE OPERATES
Servomotor
The hydraulic control system consists of a cylinder filled with oil and an oscillating pump with thrust piston. There is also a
solenoid valve located between the intake chamber and the pump thrust chamber which serves to close the valve. The piston
moves against a sealed joint inserted into the cylinder; in turn, this joint hydraulically separates the intake chamber from the
delivery chamber. The piston transmits the stroke directly to the valve.
A disk is secured to the valve shaft and can be seen through a slit in the valve, indicating the stroke. Through an oscillating
system this disk simultaneously activates the limit switch contacts for the partial and nominal output positions.
Two - stage operation
When the valve receives the signal to open, the pump cuts in and the magnetic valve closes. The pump transfers the oil under
the piston to above it, forcing the piston downward, which compresses the closure return spring with the rod and plate. When
the valve reaches the first stage, a disk connected to the shaft activates contact V1 by means of an oscillating system. As a
result, the pump cuts out and the valve remains in the first-stage position.
The pump begins functioning again only when terminal 3 is powered either from the control panel or directly by the power
regulator. The full load stroke terminates when the contact is tripped and the pump cuts out.
If the power regulator cuts off power supply to terminal 3, the magnetic valve opens and the valve will remain open until the
piston reaches the 1
st
stage position. If regulation is shut down because the power supply has been cut off, terminals 1 and
3 are no longer powered - this causes the servocontrol to close the valve in less than 1 second.
Remove cover A to access the gas regulation screws.
To set gas flow to the 1
st
flame, turn the screw in terminal I
(V1) with a screwdriver.
To set gas flow to the 2
nd
flame, turn the screw in terminal III
(V2) with a screwdriver.
In both cases, tightening the screw increases gas flow,
unscrewing it decreases the flow.
Screw D in terminal IV regulates the position at which the
clean contact is activated. This can be used for an outside
signal.
A = Driver identification plate
B = Flow direction indicator
C = Valve body identification plate
SUGGESTIONS FOR SETTING
1) We therefore advise you to prepare the burner
for ignition by setting screw V1 (regulating the
gas flow to the 1
st
flame) so that the distance
between the control lever and the microswitch
push-button does not exceed 1 mm (see
the figure below). Set the combustion air
gate in a highly closed position.
2) Second flame. Set V2 in the position where
the gas flow required for the 2
nd
flame is
obtained. Obviously, the position at which V2
is set (the distance between the microswitch
control lever and the microswitch push-button)
must be greater than that set for V1.
8881a.tif
Microswitch push-button for valve 1
st
stage
Screw setting the opening for the valve 1
st
stage (V1)
Microswitch control lever for valve 1
st
stage

Related product manuals