EasyManua.ls Logo

Bard W18H1 - Figure 3 A Mounting Instructions

Bard W18H1
27 pages
Print Icon
To Next Page IconTo Next Page
To Next Page IconTo Next Page
To Previous Page IconTo Previous Page
To Previous Page IconTo Previous Page
Loading...
Manual 2100-511
Page 8 of 27
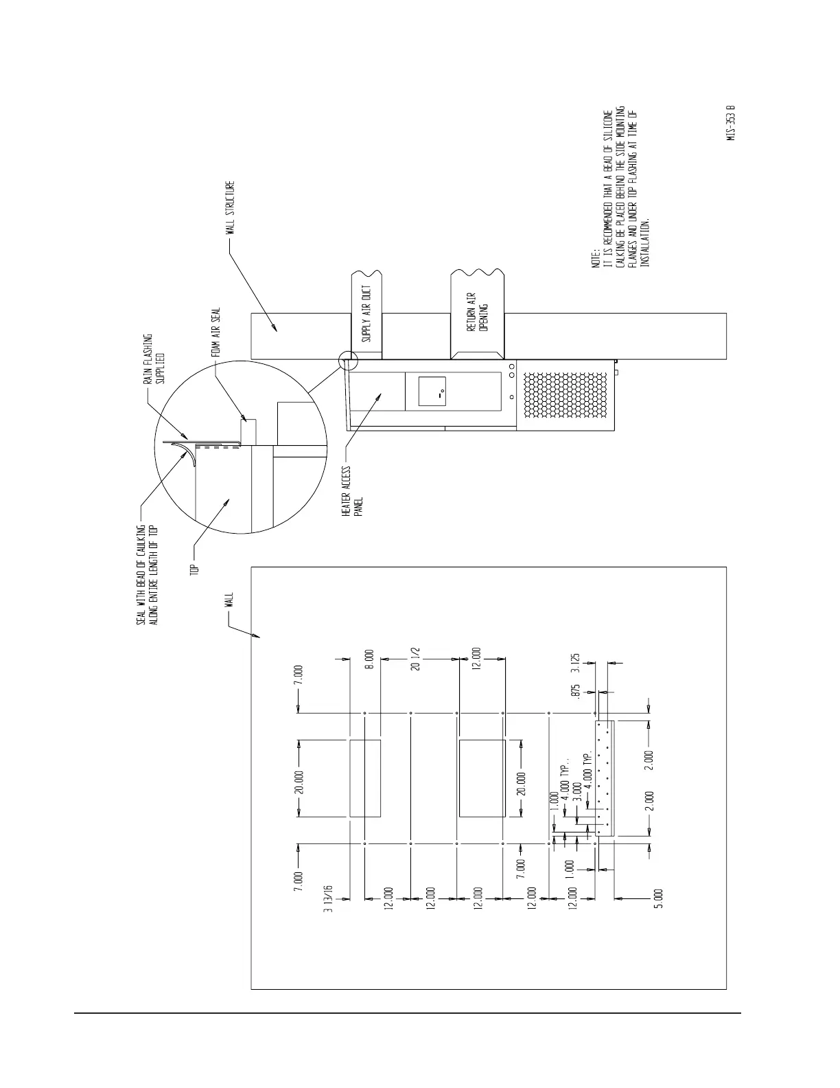
FIGURE 3A
W18H1, W24H1
MOUNTING INSTRUCTIONS

Table of Contents

Related product manuals