EasyManua.ls Logo

BASF 6106 - Page 29

Default Icon
72 pages
Print Icon
To Next Page IconTo Next Page
To Next Page IconTo Next Page
To Previous Page IconTo Previous Page
To Previous Page IconTo Previous Page
Loading...
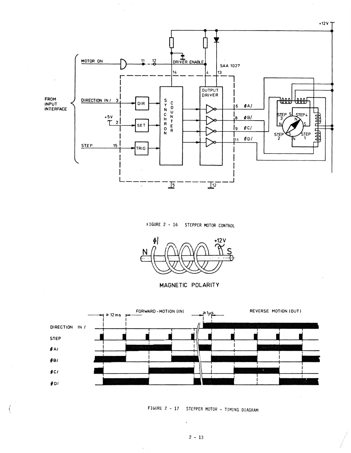
FROM
INPUT
INTERFACE
_M~OT~O_R~O~N
____
~[)~
__
~~.l
_~1~2
____
~D~R~IV~E~R~E~~~~
SAA
1027
OIRECTtON
IN /
STEP
14
13
r----------
--,
I
I
3
1
5 C
y 0
N U
C N
11
T
R E
o R
N
OUTPUT
DRIVER
I
I
I
I
I
I
I I
L------..li----]i2-..J
~IGURE
2 -
16
STEPPER
MOTOR
CONTROL
MAGNETIC
POLARITY
FORWARD - MOTION (IN)
---t"
12ms
t---
I I
6
~AI
181
ICI
'1
101
REVERSE MOTION
(OUT)
OIRECTION IN I
I I
STEP
lAI
#81
ICI
10/
FIülJRE
2 -
17
STEPPER
MOTOR
-
TIMING
DIAGRAM
2 -
13
.12V

Other manuals for BASF 6106