EasyManua.ls Logo

BASF 6106 - Side Select Logic

Default Icon
72 pages
Print Icon
To Next Page IconTo Next Page
To Next Page IconTo Next Page
To Previous Page IconTo Previous Page
To Previous Page IconTo Previous Page
Loading...
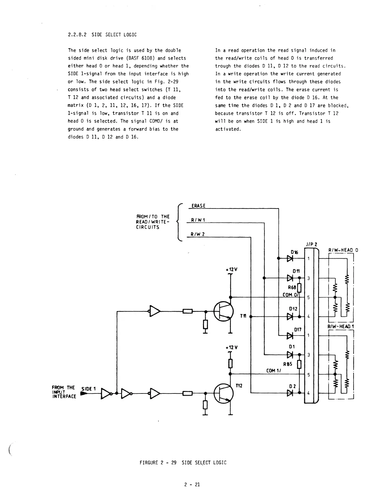
2.2.8.2
SIDE
SELECT
LOGrC
The
side
select
logic
is
used
by
the double
sided
mini
disk drive
(BASF
6108)
and
selects
either
head
0 or
head
1,
depending whether the
SIDE
l-signal
from
the input
interface
is
high
or
low.
The
side
select
logic in Fig. 2-29
consists
of
two
head
select
switches
(T
11,
T
12
and
associated
circuits)
and
a diode
matrix
(D
I,
2, 11, 12, 16, 17).
If
the
SIDE
I-signal
is
low,
transistor
T
11
i5
on
and
head
0
is
selected.
The
signal
COMO/
is
at
ground
and
generates a forward bias
to
the
diodes D 11, D
12
and
D 16.
In
a read operation the read signal induced in
the read/write
coils
of
head
0
is
transferred
trough the diodes D 11, D
12
to
the read
circuits.
In
a write operation the write current generated
in the write
circuits
flow5
through these diodes
into
the read/write coi15.
The
erase current
is
fed
to
the erase coil
by
the diode D 16.
At
the
same
time the diodes D
I,
D 2
and
D
17
are blocked,
because
transistor
T
12
is
off.
Transistor T
12
will
be
on
when
srDE
1
is
high
and
head
1
is
activated.
FIRGURE
2 -
29
SIDE
SE~ECT
LOGrC
2 -
21

Other manuals for BASF 6106