EasyManua.ls Logo

Battipav CLASS plus - Page 3

Battipav CLASS plus
Print Icon
To Next Page IconTo Next Page
To Next Page IconTo Next Page
To Previous Page IconTo Previous Page
To Previous Page IconTo Previous Page
Loading...
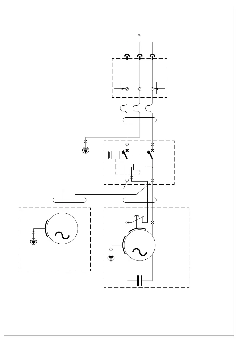
M
M
230 V 50 Hz
3G x 1mm RNF
35 W
2800 n
-1
2800 n
1400 W
-1
20
F 400 VL
V ~
idm1
2
XY

Related product manuals