EasyManua.ls Logo

Becker AR6201 - Page 77

Becker AR6201
118 pages
Print Icon
To Next Page IconTo Next Page
To Next Page IconTo Next Page
To Previous Page IconTo Previous Page
To Previous Page IconTo Previous Page
Loading...
AR6201 - RT6201 - RCU6201 - AR6203
DV 14307.03 Issue 1 09/2013 Page 2-45
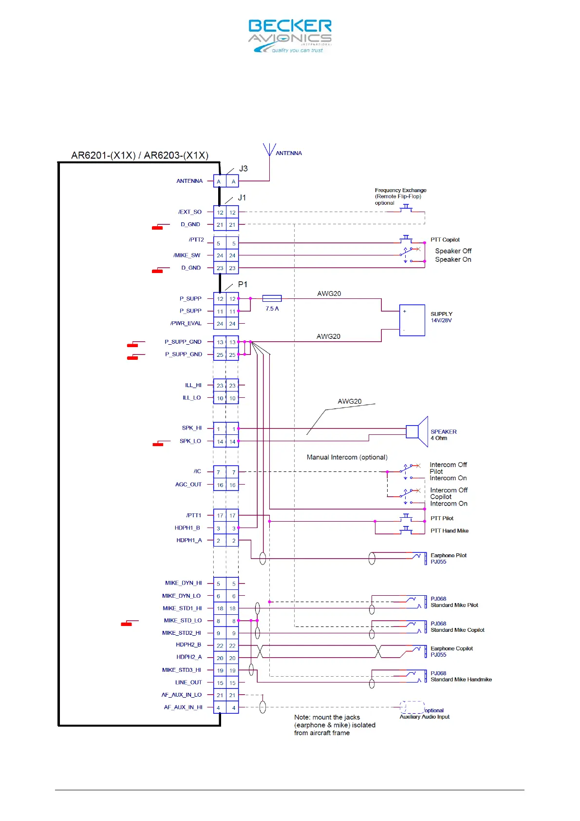
Installation Wiring Diagram
Figure 2-23: Typical dual wiring for usage of standard hand mikes, earphones and speaker

Table of Contents

Other manuals for Becker AR6201

Related product manuals