EasyManua.ls Logo

Becker AR6201 - Installation with RT6201

Becker AR6201
118 pages
Print Icon
To Next Page IconTo Next Page
To Next Page IconTo Next Page
To Previous Page IconTo Previous Page
To Previous Page IconTo Previous Page
Loading...
AR6201 - RT6201 - RCU6201 - AR6203
DV 14307.03 Issue 1 09/2013 Page 2-51
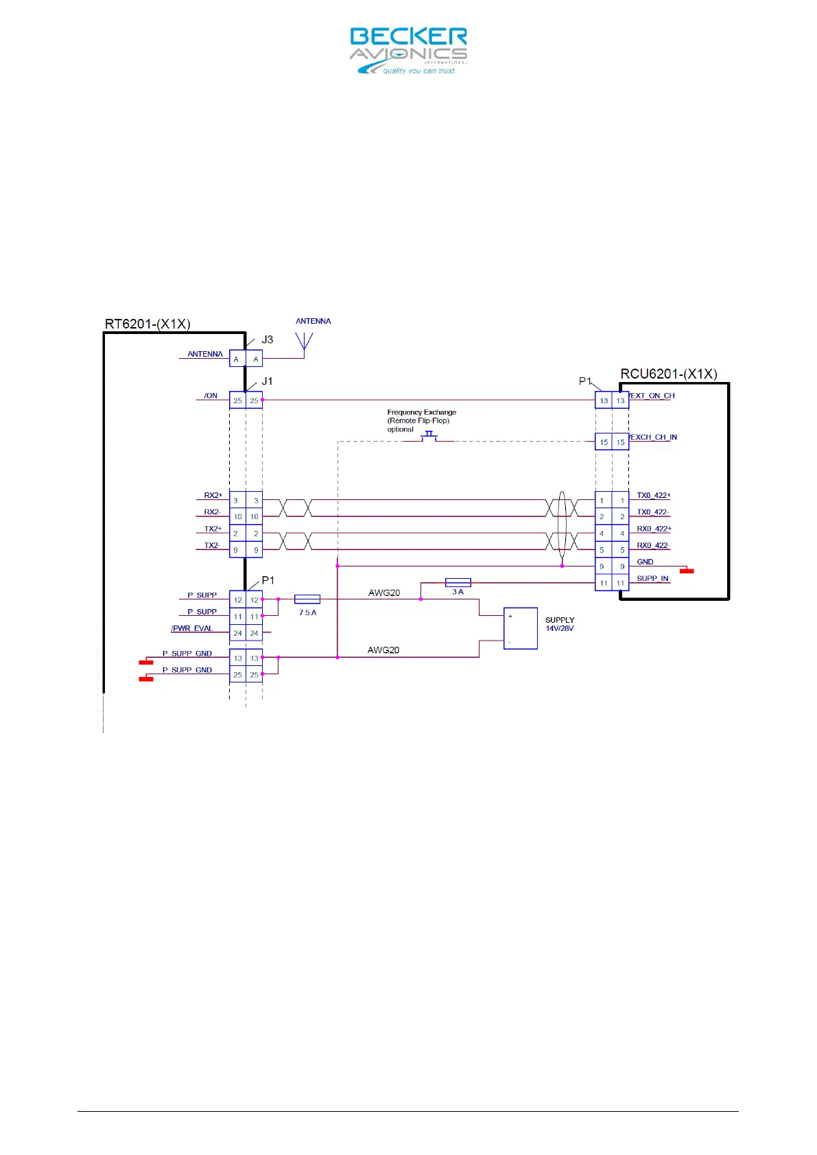
2.9.7 Installation with RT6201
RT6201 with primary controller RCU6201 can be used in all installation
wirings presented above. RT6201 with RCU6201 replace AR620X. The connection
between RT6201 and RCU6201 is shown in the wiring diagram below. For other
equipment connection see dedicated figure above.
Installation Wiring Diagram
Figure 2-26 Typical Wiring for RT6201 with RCU6201 as Primary Controller

Table of Contents

Other manuals for Becker AR6201

Related product manuals