EasyManua.ls Logo

Becker AR6201 - Page 82

Becker AR6201
118 pages
Print Icon
To Next Page IconTo Next Page
To Next Page IconTo Next Page
To Previous Page IconTo Previous Page
To Previous Page IconTo Previous Page
Loading...
AR6201 - RT6201 - RCU6201 - AR6203
Page 2-50 DV 14307.03 Issue 1 09/2013
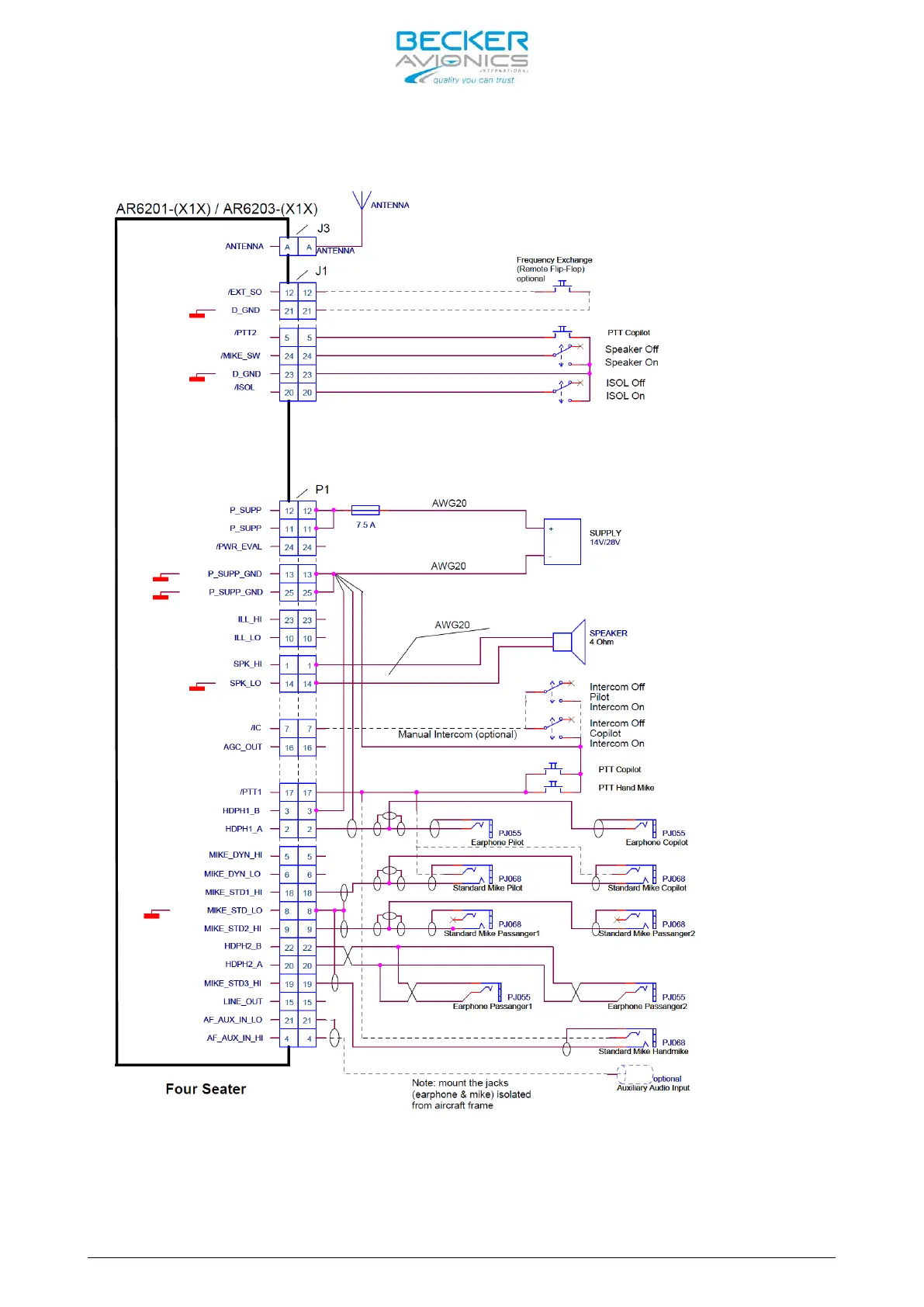
Installation Wiring Diagram
Figure 2-25: Typical Wiring for Aircraft with Four Seats (no TANDEM)

Table of Contents

Other manuals for Becker AR6201

Related product manuals