EasyManua.ls Logo

Becker S50II - Wiring Diagram

Becker S50II
Print Icon
To Next Page IconTo Next Page
To Next Page IconTo Next Page
To Previous Page IconTo Previous Page
To Previous Page IconTo Previous Page
Loading...
Operating Instructions
What should you do, if...?
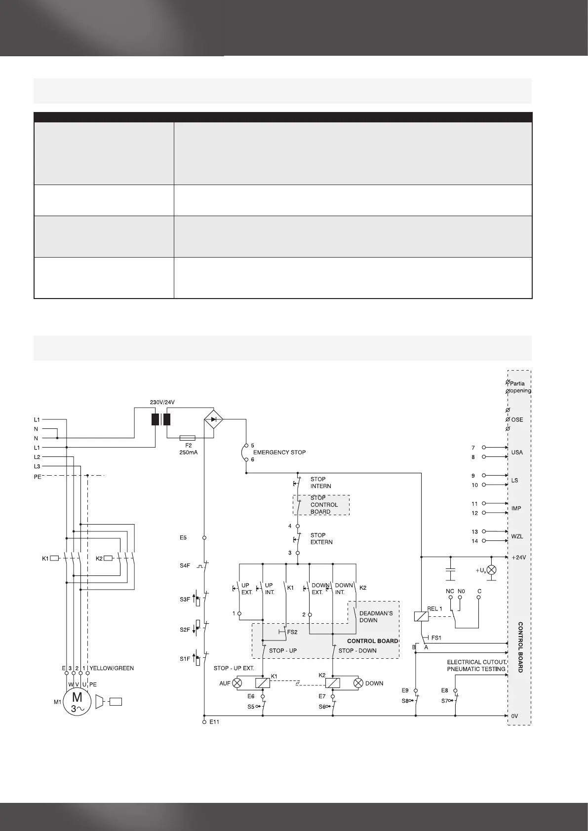
Wiring diagram
 




 
 

 
 



 
 
 




 
 
 
- Please also note the relevant error codes of the “Multicard II”.



 

 

Related product manuals