EasyManua.ls Logo

Becker S50II - Schakelschema; Wat.te.doen,.Indien

Becker S50II
Print Icon
To Next Page IconTo Next Page
To Next Page IconTo Next Page
To Previous Page IconTo Previous Page
To Previous Page IconTo Previous Page
Loading...

Gebruiksaanwijzing
Wat te doen, indien...?
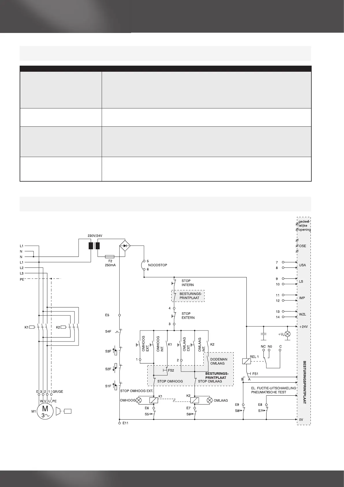
Schakelschema
 




 
 

 
 



 
 
 




 
 

 
- Neem hier ook de overeenkomstige foutcodes van de „Multicard II“ in acht.



 

 

Related product manuals