EasyManua.ls Logo

Becker S50II - Was.tun,.Wenn; Stromlaufplan

Becker S50II
Print Icon
To Next Page IconTo Next Page
To Next Page IconTo Next Page
To Previous Page IconTo Previous Page
To Previous Page IconTo Previous Page
Loading...
Bedienungsanleitung
Was tun, wenn...?
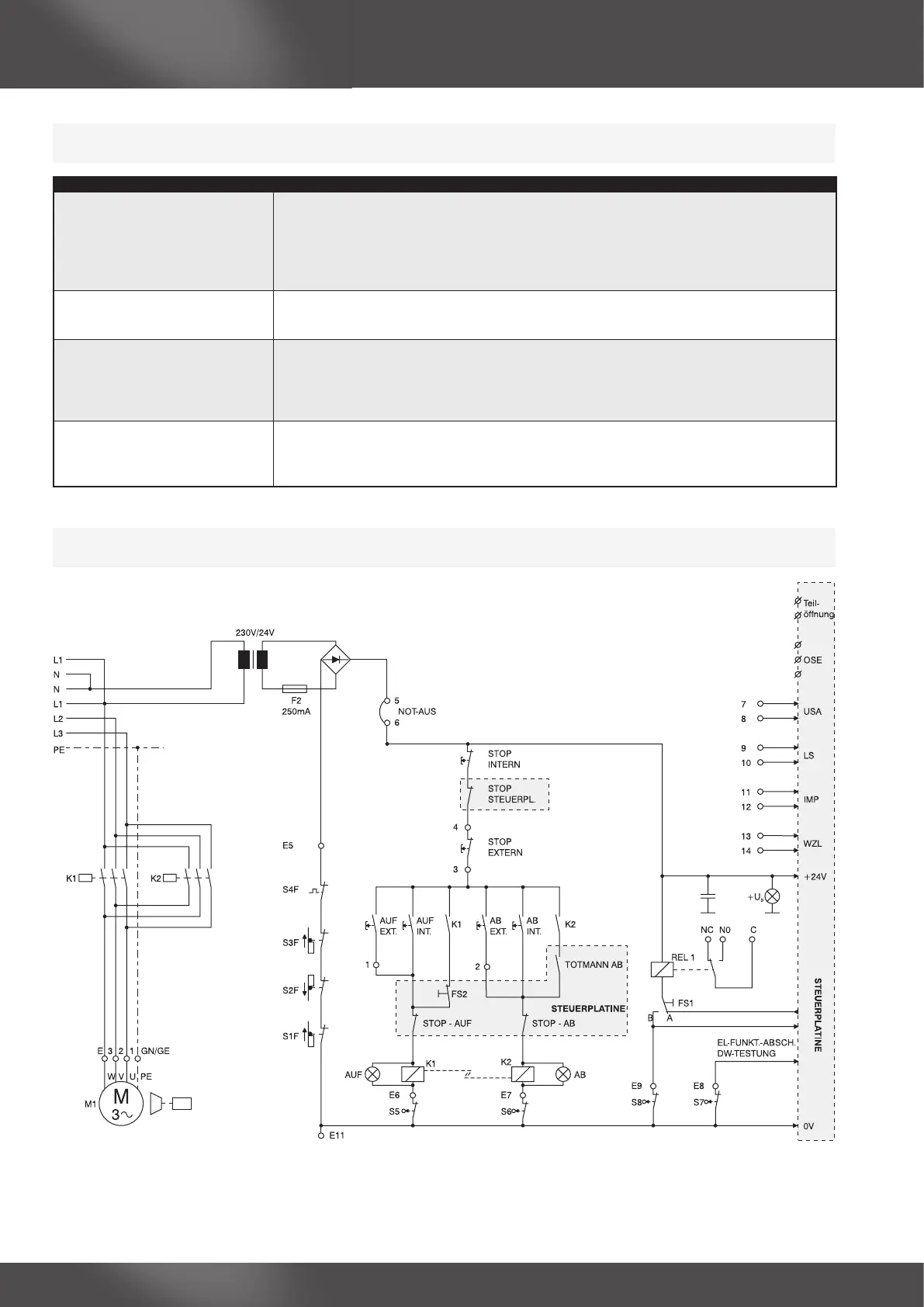
Stromlaufplan
 




 
     

 
 

  
 
 




 
 

 
- Beachten Sie hier auch die entsprechenden Fehlercodes der „Multicard II“.



 

 

Related product manuals