EasyManua.ls Logo

Becker S50II - Que.faire.si; Schéma.de.Câblage

Becker S50II
Print Icon
To Next Page IconTo Next Page
To Next Page IconTo Next Page
To Previous Page IconTo Previous Page
To Previous Page IconTo Previous Page
Loading...

Notice d‘utilisation
Que faire si ... ?
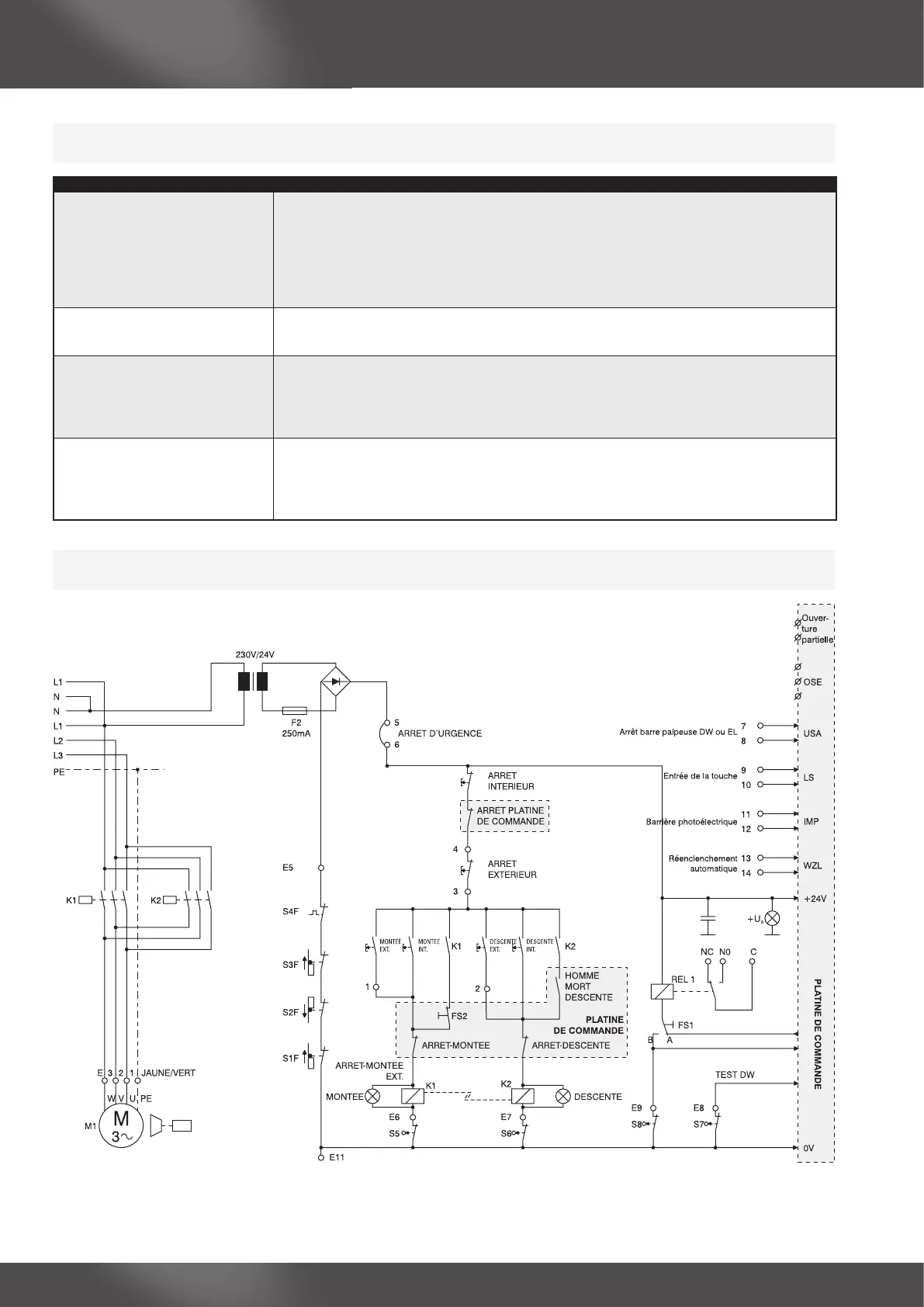
Schéma de câblage
 





 
 

 
 




 
 
 




 
 

 
- Là aussi, observez les codes d’erreur correspondants de la « Multicard II ».



 


 

Related product manuals