EasyManua.ls Logo

Beckhoff CP6201 - Wiring Diagram; Connecting Devices Safely; Connecting Cables

Beckhoff CP6201
26 pages
Print Icon
To Next Page IconTo Next Page
To Next Page IconTo Next Page
To Previous Page IconTo Previous Page
To Previous Page IconTo Previous Page
Loading...
Installation Instructions
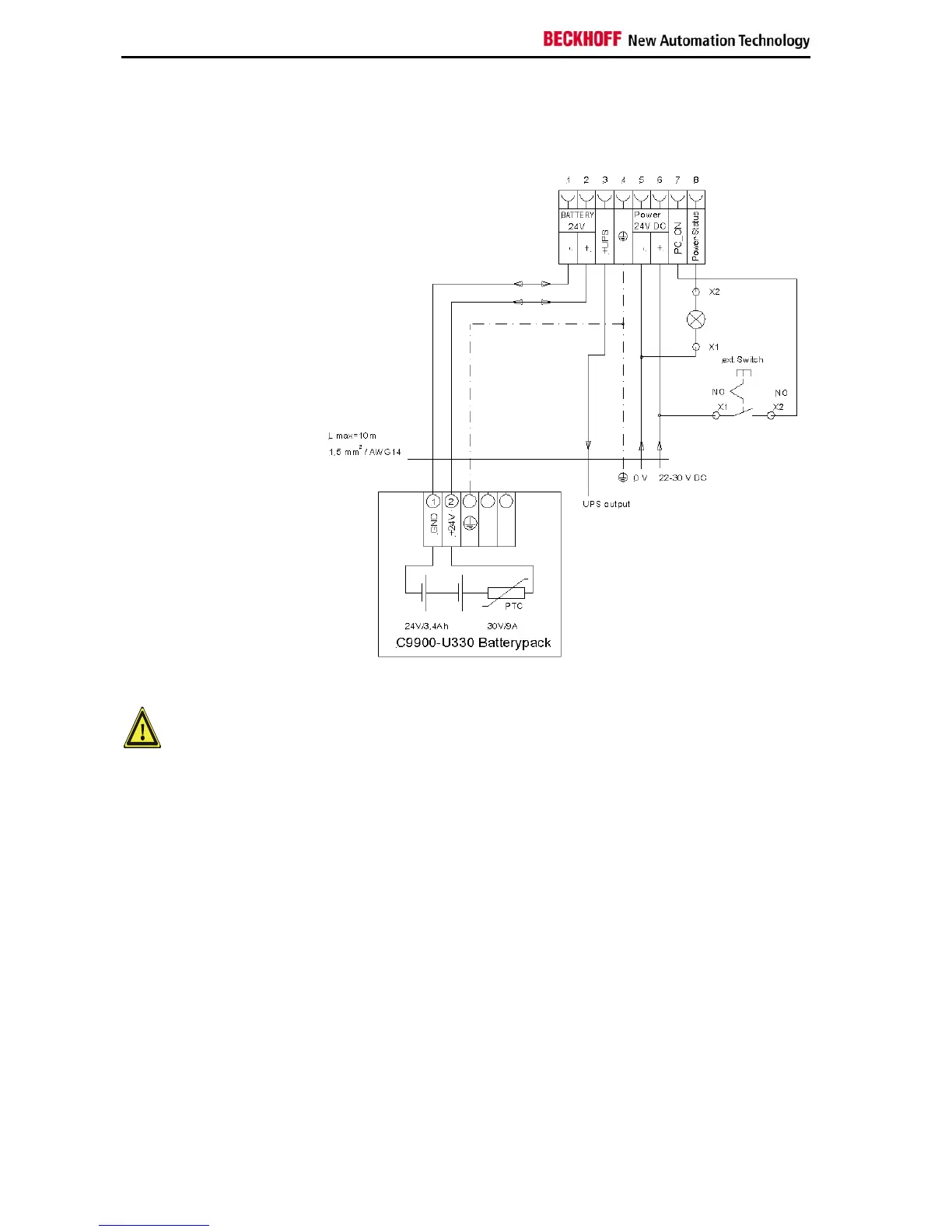
Wiring diagram
Wiring according to the wiring diagram (the circuit of PC_ON and Power-
Status is symbolical):
Wiring diagram external
switch and power supply
Connecting devices
Warning
The power supply plug must be withdrawn!
Please read the documentation for the external devices prior to connecting
them.
During thunderstorms, plug connector must neither be inserted nor
removed.
When disconnecting a plug connector, always handle it at the plug. Do not
pull the cable!
Connecting cables
The connections are located at the top of the Industrial PC and are
documented in the product description chapter.
When connecting the cables to the Industrial PC, proceed according to the
following sequence:
Switch off all the devices that are to be connected.
Disconnect all the devices that are to be connected from the power
supply.
Connect all the cables between the Industrial PC and to the
devices that are to be connected.
Connect all data transfer cables (if present) to the appropriate
plug-in receptacles of the data/telecommunication networks.
14 CP62xx

Table of Contents

Related product manuals